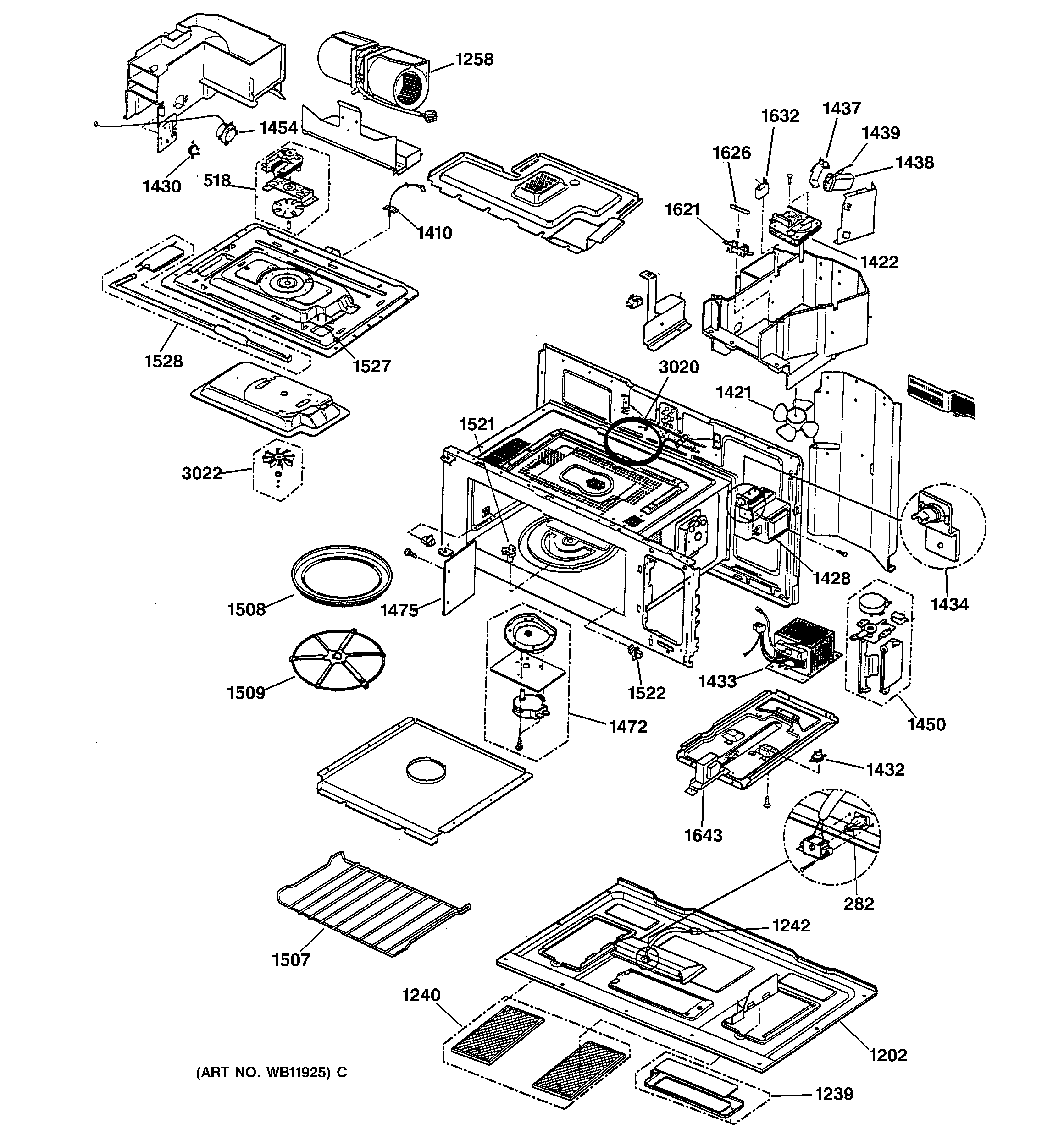
JVM1490BD003 UNIT PARTS & BASEadmin2025-04-26T08:44:39+00:00JVM1490BD003 UNIT PARTS & BASE ProductsPositionProduct282WB01X10239 GE Halogen Lamp 20W 12V G4 Base518GEN WB26X100981202GEN WB56X102061239GEN WB36X101781240WB06X10309 GE Grease Filter1242GEN WB06X103101258WB26X36106 GE Ventilation Motor1410WB18X10126 GE Oven Thermistor1421FAN1422GEN WB26X101011428GEN WB27X103091430WB20X10048 GE Oven Thermostat1432GEN WB21X100451433GEN WB20X100221434MGT THERMO ASSY1437GEN WB06X103161438CAPACITOR, H. V.1439DIODE-CABLE1450GEN WB06X103141454SENSOR ASS'Y1472GEN WB26X100991475GEN WB06X103111507GEN WB48X100171508WB49X10129 GE Oven Microwave Turntable Glass Cooking Tray1509GEN WB06X103151521WB06X10312 GE Oven Shaft Assembly1522GEN WB02X107501527GEN WB06X103171528GEN WB06X103181621FUSE HOLDER1626WB27X10928 GE Oven Line Fuse1632WB27X10329 GE Oven Capacitor1643GEN WB20X100213020GEN WB44X100263022GEN WB06X10319