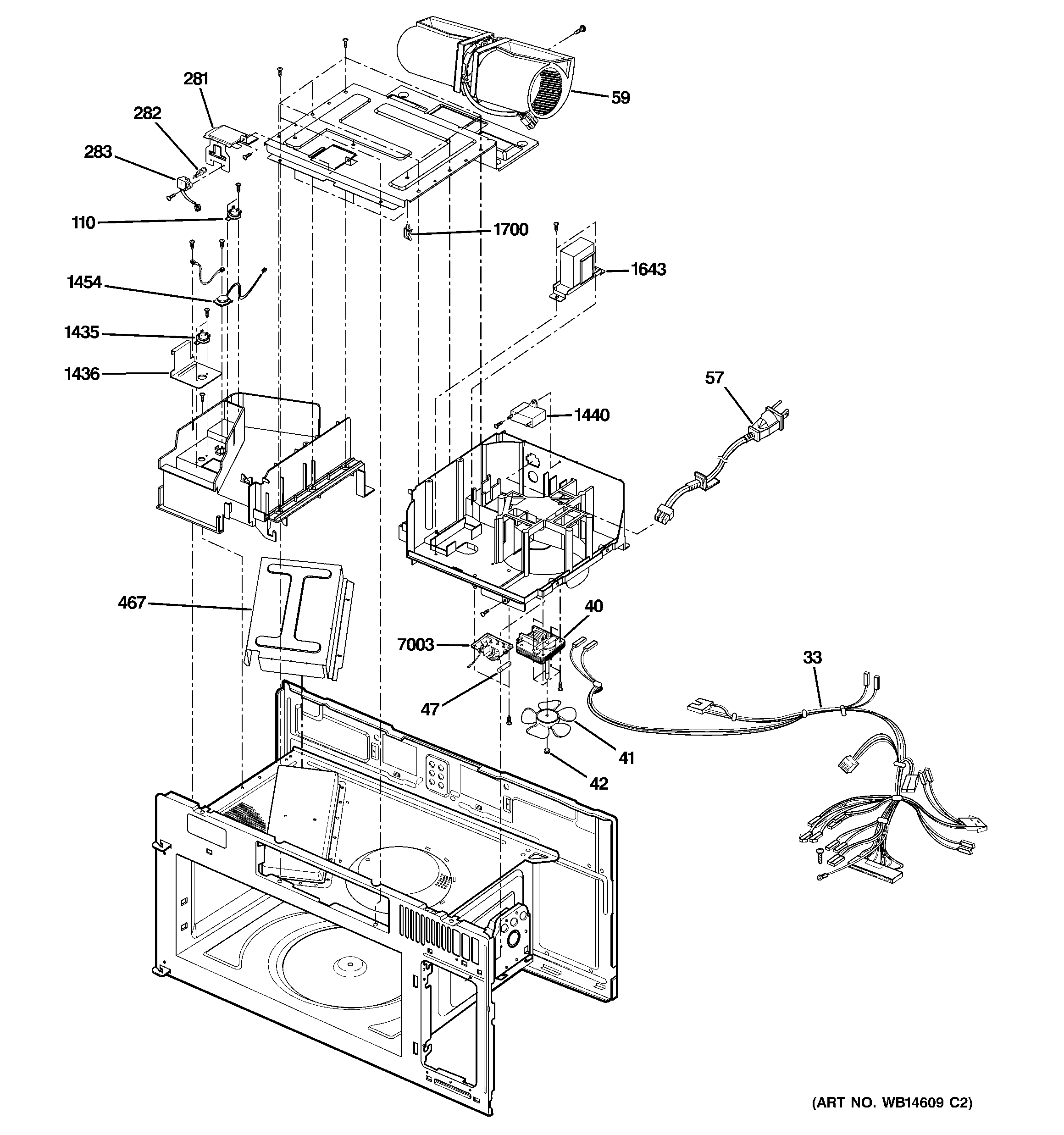
JVM1665DN1WW INTERIOR PARTS (2)admin2025-04-26T10:13:00+00:00JVM1665DN1WW INTERIOR PARTS (2) ProductsPositionProduct33GEN WB18X1042140GEN WB26X1019441WB38X37514 GE Fan Assembly42NUT,CUSTOMIZED47WB27X10928 GE Oven Line Fuse57GEN WB20X1003859WB26X36106 GE Ventilation Motor110THERMOSTAT281GEN WB36X10347282WB01X10239 GE Halogen Lamp 20W 12V G4 Base283GEN WB06X10310467GEN WB35X100131435WB21X10149 GE Oven Thermostat1436GEN WB06X108091440WB27X10808 GE Oven Capacitor1454WB27X10857 GE Oven Sensor Assembly1643GEN WB20X100211700WB02X10532 GE Oven Wire Holder7003FILTER ASM NOISE