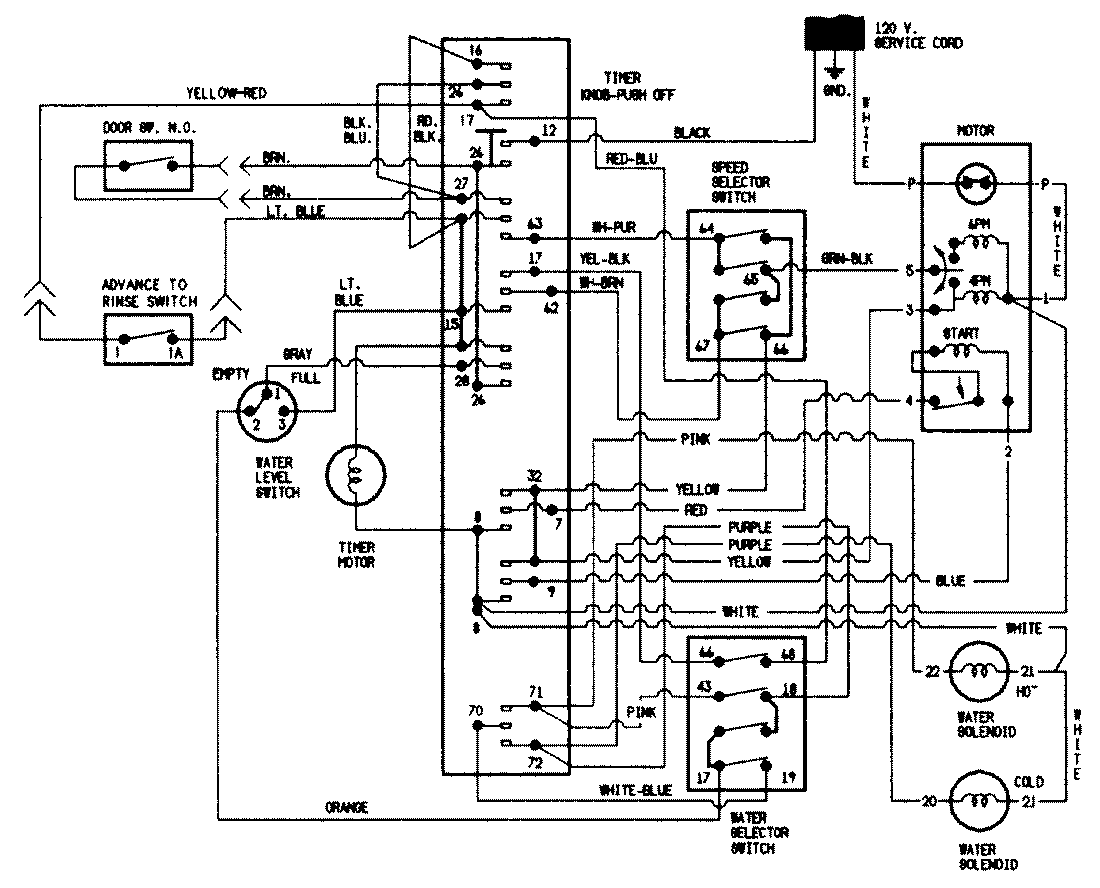
JW2000W 08 – WIRING INFORMATIONadmin2025-04-26T09:25:38+00:00JW2000W 08 – WIRING INFORMATION ProductsPositionProductNIMAY 15001725NIMAY 15001792NIMAY 15001902