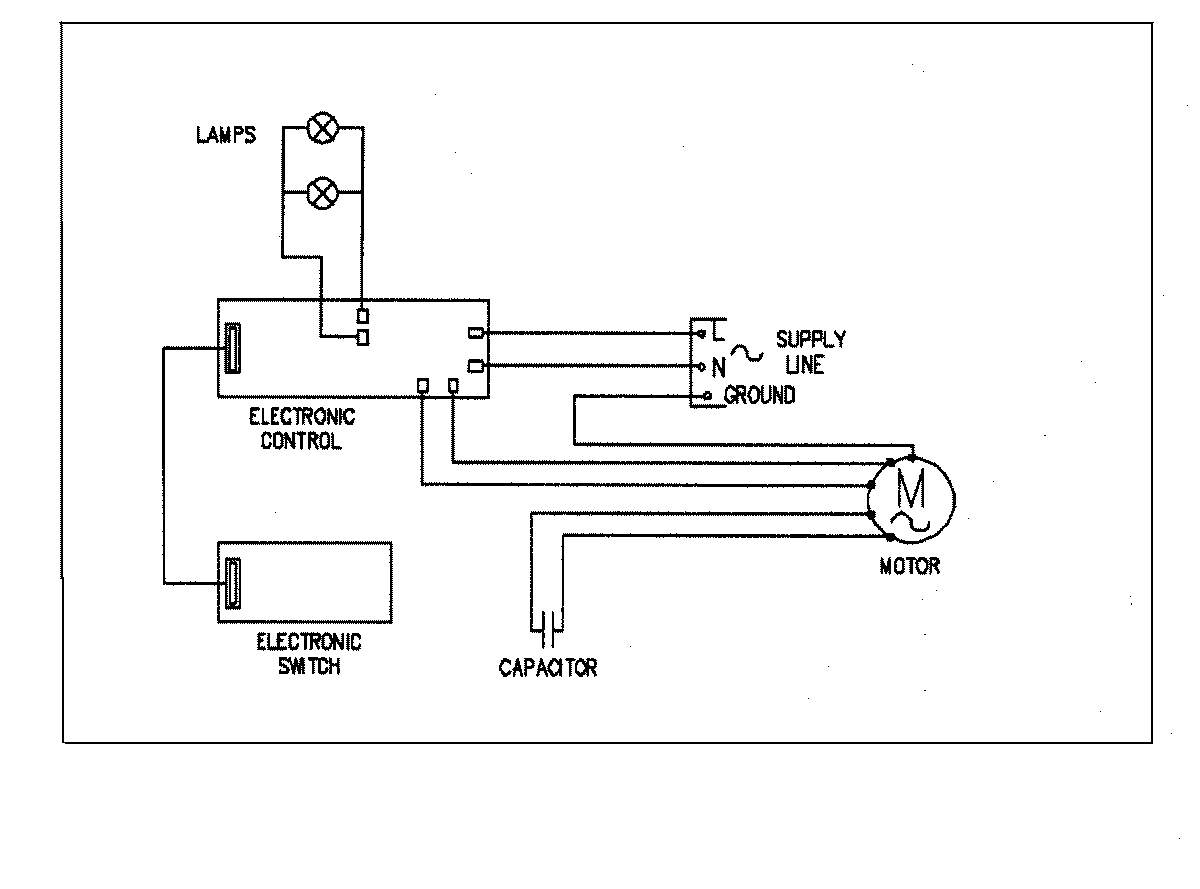
JXT8030ADS 02 – WIRING INFORMATIONadmin2025-04-26T09:03:39+00:00JXT8030ADS 02 – WIRING INFORMATION ProductsPositionProductNIMAY 15003241