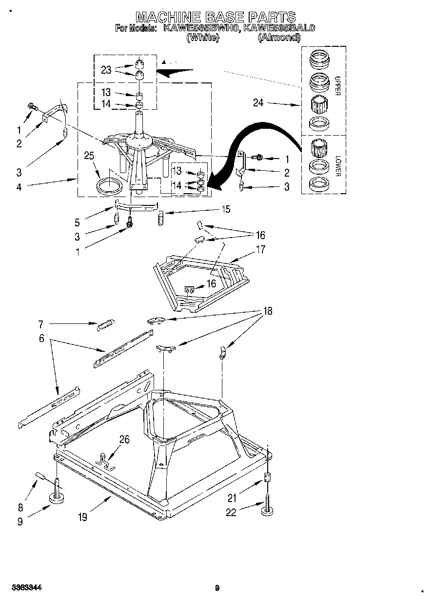
KAWE565BWH0 07 – MACHINE BASE