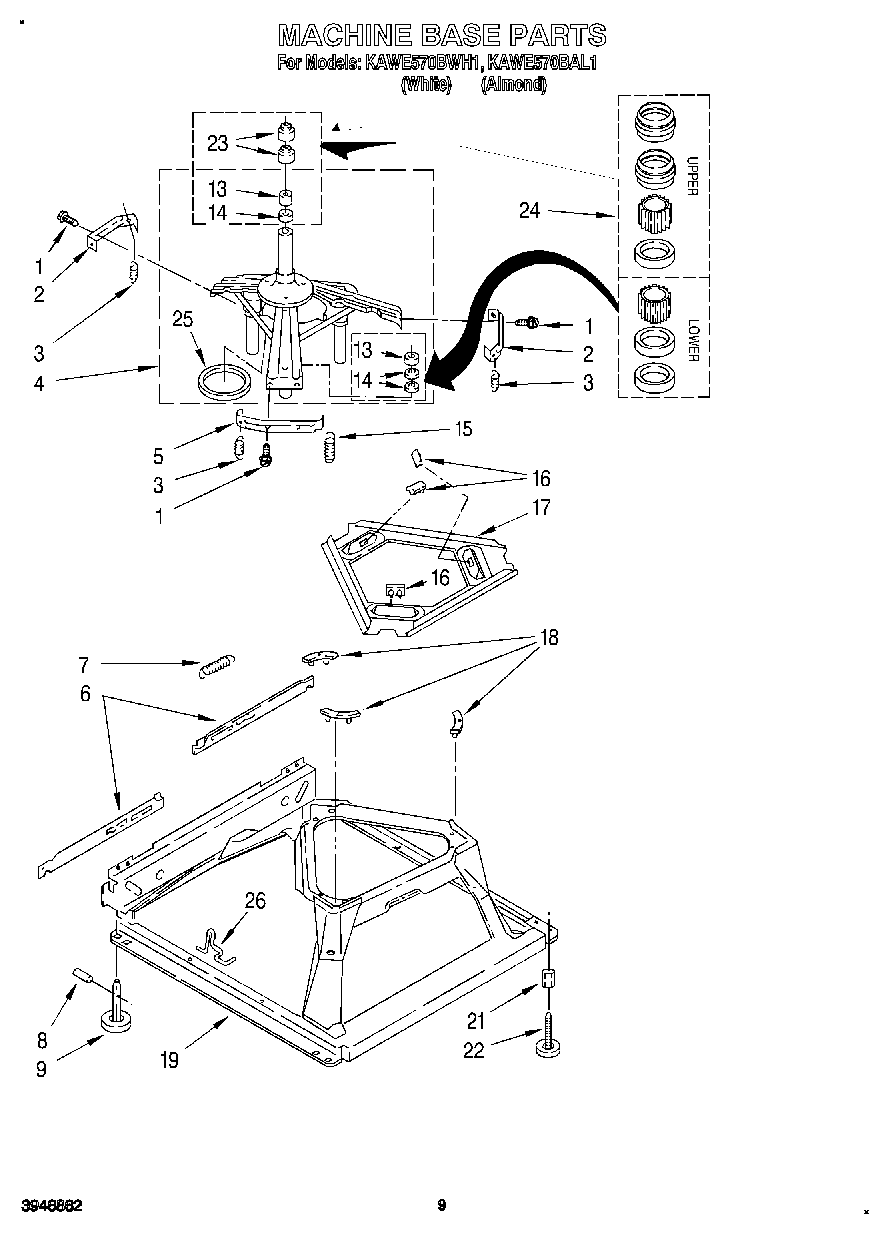
KAWE570BWH1 07 – MACHINE BASE