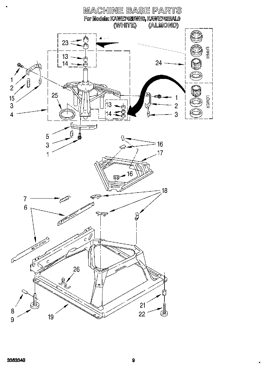
KAWE742BAL0 07 – MACHINE BASE