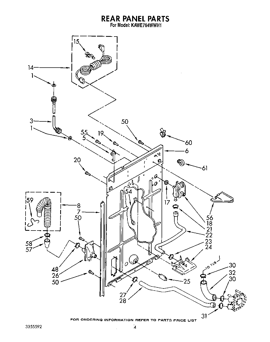
KAWE764WAL1 03 – REAR PANELadmin2025-04-26T13:06:48+00:00KAWE764WAL1 03 – REAR PANEL ProductsPositionProduct1WP16123 Whirlpool Washer3WP89503 Whirlpool Washer Fill Hose5Hinge, Console (2)6Panel, Rear7WP62747 Whirlpool Pad8285664 Whirlpool Drain Hose14Cord, Power15Strain Relief, Power Cord17WP96160 Whirlpool Washer Inlet Valve Screen18285805 Whirlpool Washer Water Inlet Valve19WP3351614 Whirlpool Screw20SCREW21WP596669 Whirlpool Hose Clamp22HOSE24WP3360977 Whirlpool Washer Tub Fill Nozzle25WP8519200 Whirlpool Support Assembly26WPW10358149 Whirlpool Hose28Hose, Pump To Drain Connector30WP371502 Whirlpool Clamp32285871 Whirlpool Hose and Clamp48WP356138 Whirlpool Hose Clamp50WP3390631 Whirlpool Screw54WPL 36408955WP308685 Whirlpool Microwave Screw56WPL 334842457WP384496 Whirlpool Hose Coupling58WP616099 Whirlpool Clamp59WPL 335022260Clip, Harness618559320 Whirlpool Clip