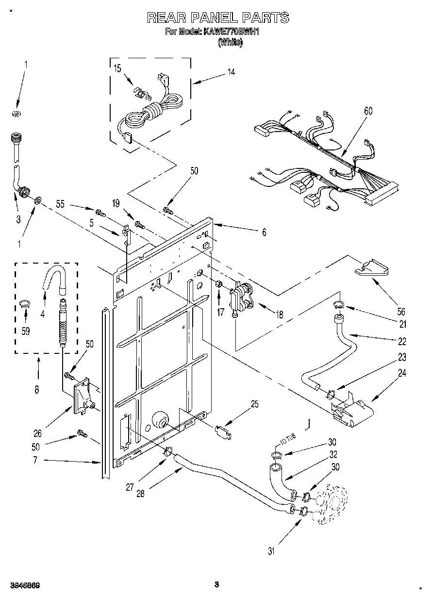
KAWE770BWH1 02 – REAR PANELadmin2025-04-26T13:04:02+00:00KAWE770BWH1 02 – REAR PANEL ProductsPositionProduct1WP16123 Whirlpool Washer3WP89503 Whirlpool Washer Fill Hose4WP3357027 Whirlpool Nozzle Assembly5Hinge, Console (2)6WP3357978 Whirlpool Rear Panel7WP62747 Whirlpool Pad8285666 Whirlpool Drain Hose 10'8285664 Whirlpool Drain Hose8285702 Whirlpool Extensions14Cord, Power15Strain Relief, Power Cord17WP96160 Whirlpool Washer Inlet Valve Screen18285805 Whirlpool Washer Water Inlet Valve19WP3351614 Whirlpool Screw21WP596669 Whirlpool Hose Clamp22HOSE24WP3360977 Whirlpool Washer Tub Fill Nozzle25WP8519200 Whirlpool Support Assembly26WPW10358149 Whirlpool Hose27WP356138 Whirlpool Hose Clamp28Hose, Pump To Drain30WP371502 Whirlpool Clamp32285871 Whirlpool Hose and Clamp50WP3390631 Whirlpool Screw55WP308685 Whirlpool Microwave Screw56WPL 334842459WP3357331 Whirlpool Clamp60Harness, Wiring (For Detail See Wiring Harness Parts Page) Also See Clips.