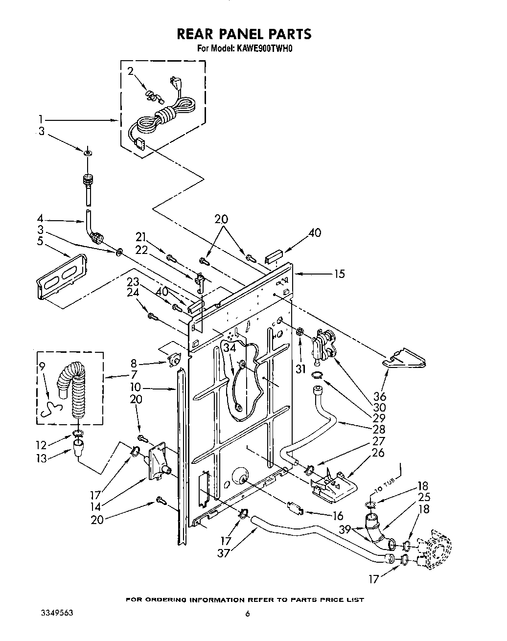
KAWE900TWH0 04 – REAR PANELadmin2025-04-26T13:03:03+00:00KAWE900TWH0 04 – REAR PANEL ProductsPositionProduct1Cord, Power2Strain Relief, Power Cord3WP16123 Whirlpool Washer4WP89503 Whirlpool Washer Fill Hose5Rack, Literature7285666 Whirlpool Drain Hose 10'7285664 Whirlpool Drain Hose8Speaker9WPL 335022210WP62747 Whirlpool Pad12WP616099 Whirlpool Clamp13WP384496 Whirlpool Hose Coupling14WPW10358149 Whirlpool Hose15Panel, Rear16WP8519200 Whirlpool Support Assembly17WP356138 Whirlpool Hose Clamp20WP3390631 Whirlpool Screw21WP308685 Whirlpool Microwave Screw22Hinge, Console (2)23SCREW25285871 Whirlpool Hose and Clamp26WP3360977 Whirlpool Washer Tub Fill Nozzle27WP596669 Whirlpool Hose Clamp28HOSE30285805 Whirlpool Washer Water Inlet Valve31WP96160 Whirlpool Washer Inlet Valve Screen34WPL 36408936WPL 334842437WP3348552 Whirlpool Hose39WP371502 Whirlpool Clamp40Edge Protector