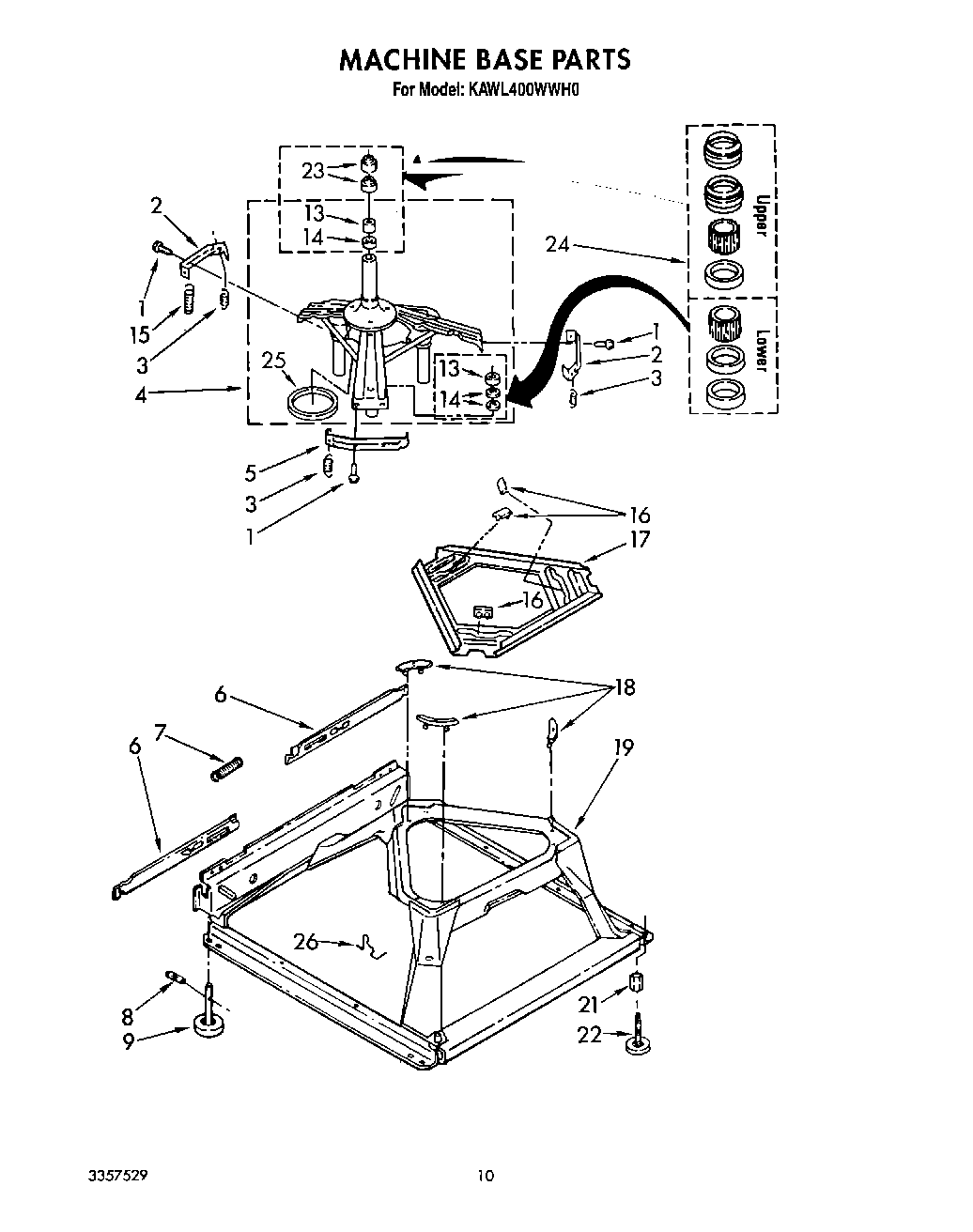
KAWL400WWH0 08 – MACHINE BASE