KAWS750LQ2 06 – CONTROL PANEL PARTSadmin2025-04-26T13:04:28+00:00KAWS750LQ2 06 – CONTROL PANEL PARTS
Products
| Position | Product |
|---|
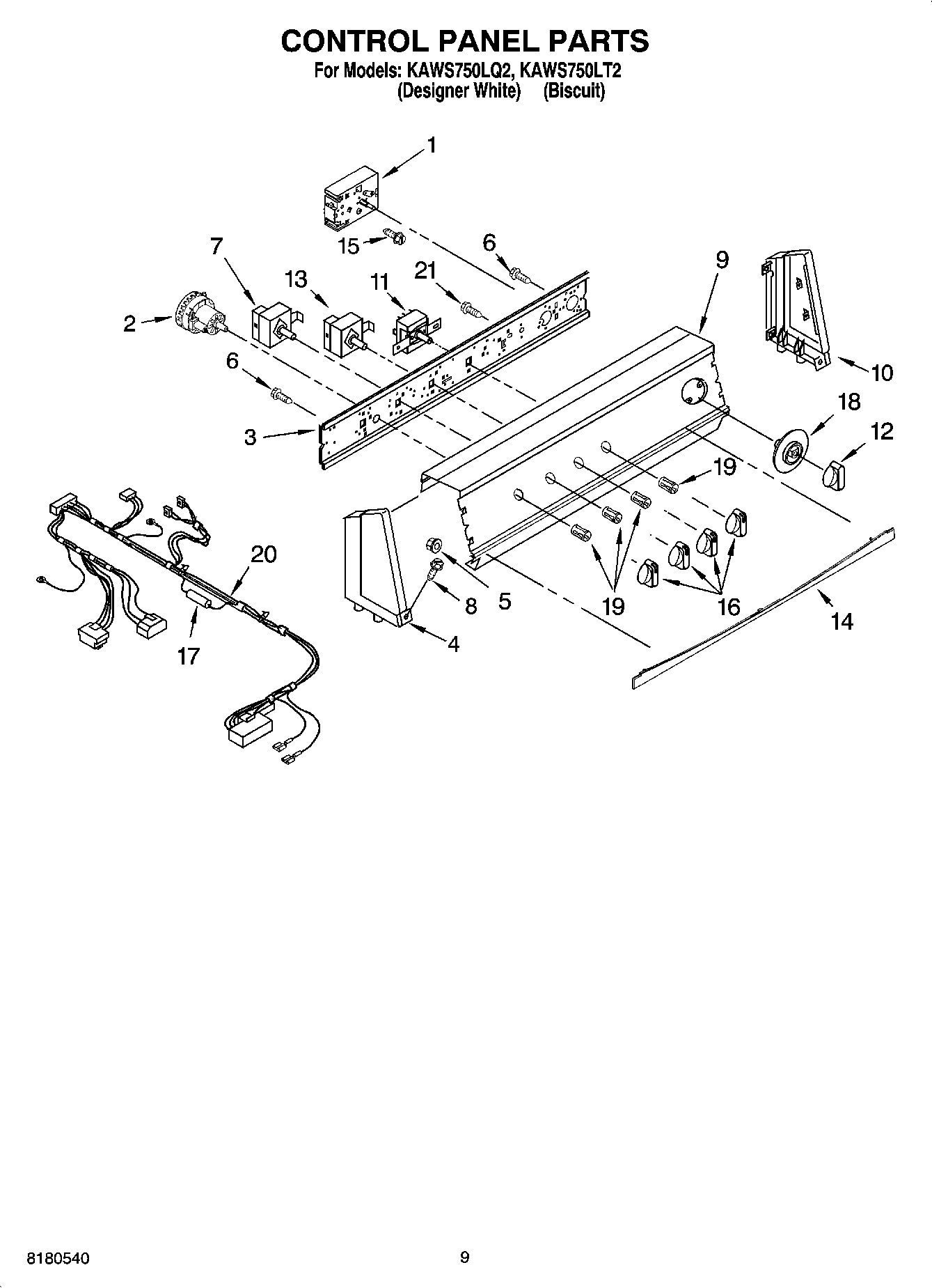
| 1 | Timer, Control (60 Hz.) (Motor Not Serviced) |
| 2 | W10339326 Whirlpool Washer Water Level Switch |
| 3 | WP3948608 Whirlpool Bracket |
| 4 | Cap, End (L.H.) (Biscuit) |
| 4 | End Cap (L.H.) (White) |
| 5 | WPL 8533828 |
| 6 | WP90767 Whirlpool Screw |
| 7 | Switch, Water Temperature |
| 8 | WP388326 Whirlpool Screw |
| 9 | Console, Panel (Includes Illus. 5 & 14) (Biscuit) |
| 9 | Console, Panel (Includes Illus. 5 & 14) (White) |
| 10 | End Cap (R.H.) (Biscuit) |
| 10 | End Cap (R.H.) (White) |
| 11 | Switch, Rotary |
| 12 | Knob, Timer (Biscuit) |
| 12 | Knob, Timer (White) |
| 13 | WPW10168257 Whirlpool Cycle Switch |
| 14 | Spacer, Console (White) |
| 14 | Spacer, Console (Biscuit) |
| 15 | WP3400818 Whirlpool Screw |
| 16 | WPL 3956183 |
| 16 | WPL 3956182 |
| 17 | Fuse (In Harness) |
| 18 | Dial, Timer (White) |
| 18 | Dial, Timer (Biscuit) |
| 19 | WP8536939 Whirlpool Spring Clip |
| 20 | Harness, Wire (For Detail See Pages 13 & 14) |
| 21 | 3400073 Whirlpool Screw |