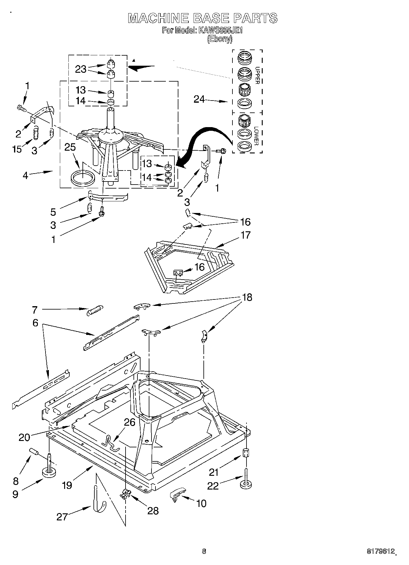
KAWS855JE1 05 – MACHINE BASE