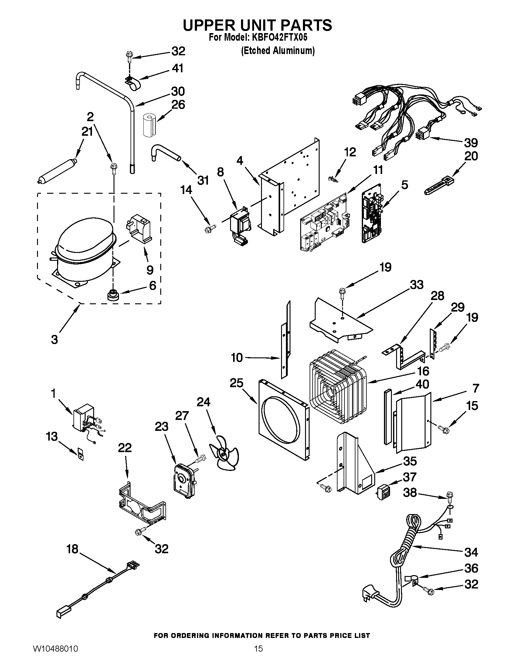
KBFO42FTX05 09 – UPPER UNIT PARTSadmin2025-04-26T12:05:41+00:00KBFO42FTX05 09 – UPPER UNIT PARTS ProductsPositionProductNIVALVE, ACCESS (5/8``)NICABINET (NOT A SERVICEABLE PART)NI876764 Whirlpool Refrigerator Primary ValveNIVALVE, ACCESS (1/2``)NIWP978025 Whirlpool Refrigerator ValveNI978026 Whirlpool Refrigerator Primary ValveNI978027 Whirlpool Refrigerator Primary ValveNI978030 Whirlpool Refrigerator Valve1W10629033 Whirlpool Refrigerator Inverter Control Box3W10841139 Whirlpool Refrigerator Compressor4WPW10321056 Whirlpool Refrigerator Housing5WP2303091 Whirlpool Refrigerator Electronic Control Board6876811 Whirlpool Grommet7SUPPORT, CONDENSER RIGHT8Transformer92215676 Whirlpool Refrigerator Terminal Cover10SUPPORT, CONDENSER LEFT11WPW10427079-includeCORE Whirlpool WPW10427079 Refrigerator Electronic Control Board + Core12WP2203075 Whirlpool Refrigerator Spacer132256328 Whirlpool Bracket Assembly14WP965173 Whirlpool Dishwasher Screw15WP489069 Whirlpool Compactor Screw162307998 Whirlpool Refrigerator Condenser182310207 Whirlpool Wire Harness19WP489399 Whirlpool Refrigerator Screw20WPW10339879 Whirlpool Wire Tie21WPW10143759 Whirlpool Dryer Filter22W10414681 Whirlpool Bracket23W11578915 Whirlpool Condenser Motor24WPW10139483 Whirlpool Refrigerator Condenser Fan Blade, 40%25W10415670 Whirlpool Orifice26W10852725 Whirlpool Refrigerator Grommet27WP8533993 Whirlpool Refrigerator Screw28BRACKET, VIBRATION (CONDENSER)29ARM, VIBRATION (CONDENSER)302307566 Whirlpool Refrigerator Tube31W10528578 Whirlpool Refrigerator Tube32W11624204 Whirlpool Screw33Cover, Condenser34WP2310251 Whirlpool Refrigerator Power Cord35W10321055 Whirlpool Refrigerator Bracket36549193 Whirlpool Refrigerator Power Clamp37WP2266802 Whirlpool Refrigerator Switch38WP489128 Whirlpool Refrigerator Screw39W10427101 Whirlpool Refrigerator Wire Harness402309432 Whirlpool Seal Strip41CLAMP, TUBE