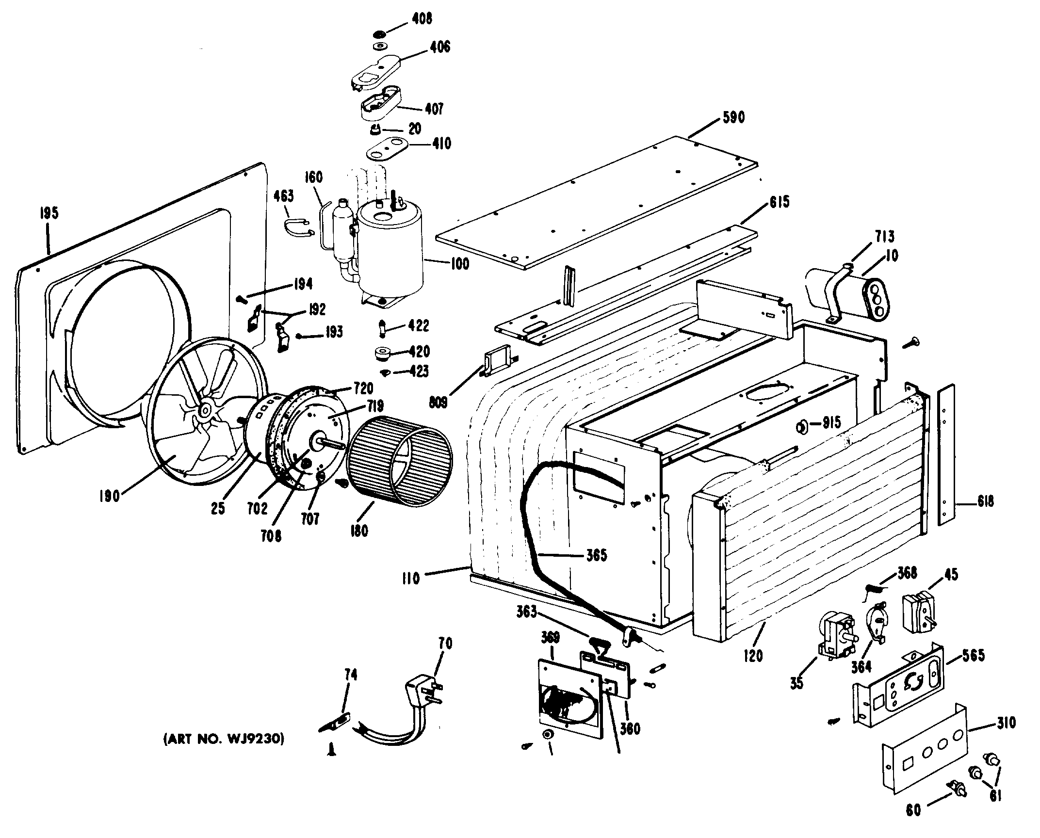
KC710AMT1 1