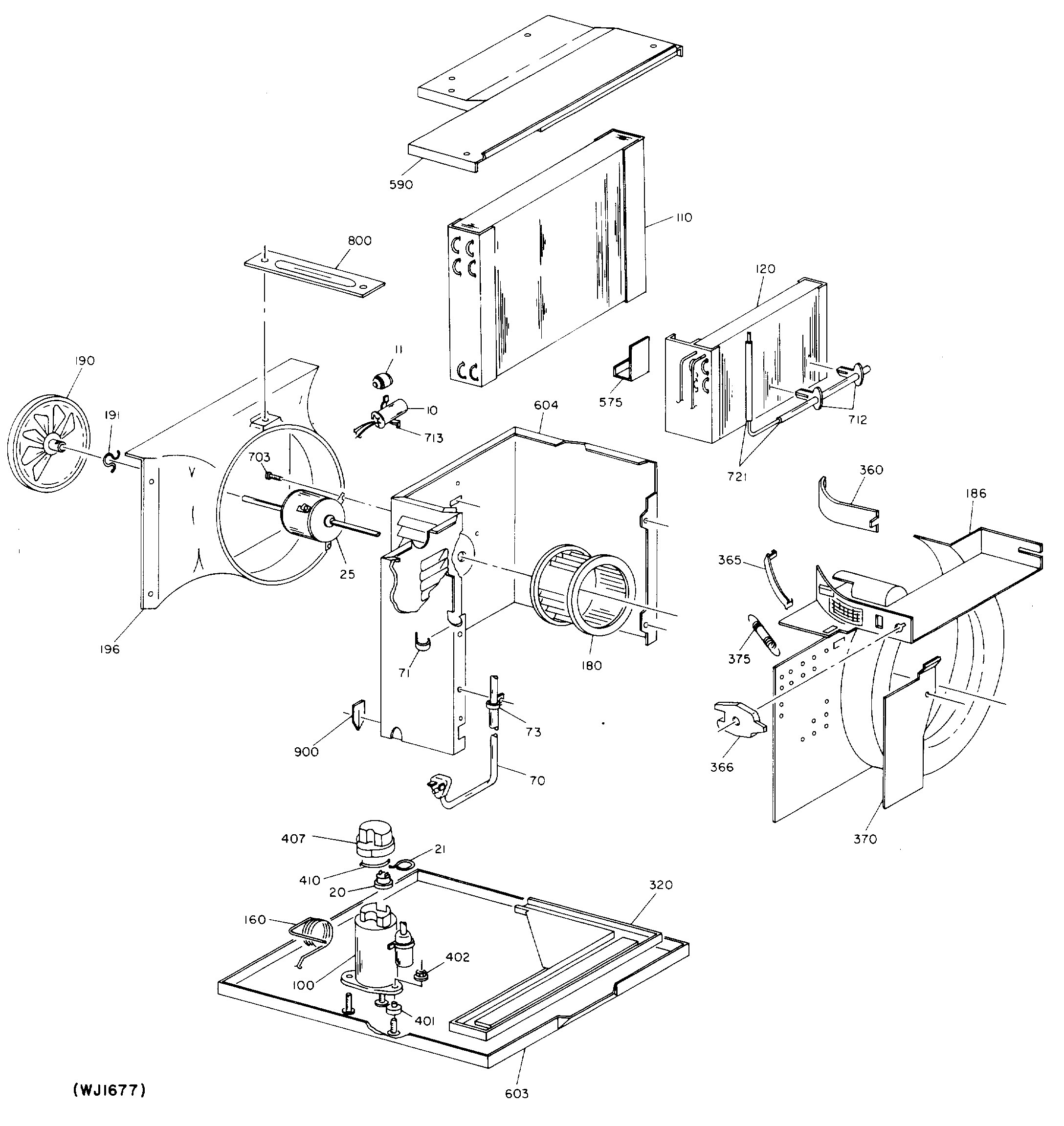
KCD08AAT1 1