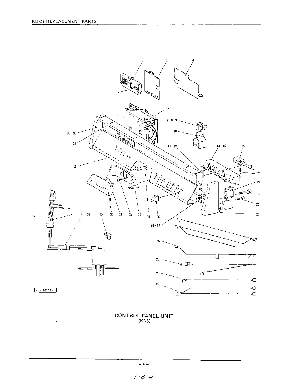
| 1 | Sequence Light Assy |
| 2 | Control Panel (KDS-21) |
| 2 | Control Panel (KDSM-21) & KDSM-21A |
| 2 | Control Panel (KDM-21) |
| 2 | Control Panel (KDSC-21) & KDSC-21A |
| 3 | Insulator - Light Package |
| 4 | Insulator - Harness |
| 5 | Timer Assy. (115 V., 60 Hz.) |
| 7 | Anchor - Cancel Spring |
| 8 | Spacer - Spring |
| 9 | Pop Rivet - 1/8`` Open End |
| 10 | Spring - Switch Cancel |
| 11 | Bracket - Program Switch |
| 13 | WPL SD2227 |
| 14 | Switch - Program |
| 15 | Self-Tapping Screw 6-32 x 3/8 Phil. Truss Hd., Type 17 |
| 16 | Switch - Interlock |
| 17 | Self-Tapping Screw 6-32 x 7/8 Phil. Pan Hd., Type F |
| 18 | Spacer - End Cap (R.H.) |
| 19 | Screw & Washer Assy |
| 20 | Self-Tapping Screw - No.8-32 x 7/8`` Phil. Pan Hd., Type F |
| 21 | Cap - End (R.H.) |
| 22 | WPL 242445 |
| 23 | Lead Assy. (Interlock Switch to Program Switch) |
| 24 | WPL 116193 |
| 25 | WPL 2424421 |
| 26 | Clip - Grounding (Front Panel) |
| 27 | WPL SD1311 |
| 28 | WPL 242406 |
| 29 | 326789 Whirlpool Surface Element 8 Inch |
| 30 | Self-Tapping Screw 6-20 x 3/8 Phil. Truss Hd., |
| 31 | WPL 242422 |
| 32 | WPL SC11752 |
| 33 | WPL 242414 |
| 34 | WPL SC1714 |
| 35 | WPL 242641 |
| 36 | WPL 242437 |
| 37 | WPL SD843 |
| 38 | WPL 2424132 |
| 39 | WPL 2424942 |
| 39 | WPL 2424211 |