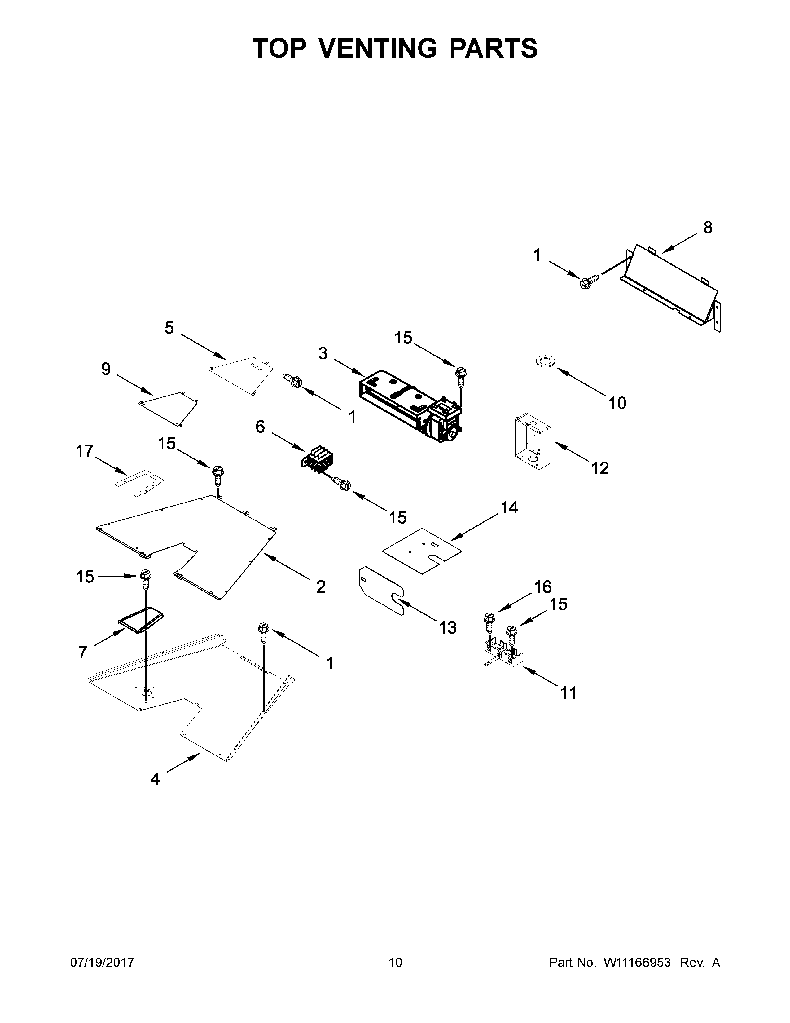
KDRS463VSD01 06 – TOP VENTING PARTSadmin2025-04-26T10:25:34+00:00KDRS463VSD01 06 – TOP VENTING PARTS ProductsPositionProduct1SCREW2VENT, COOLING TOP (30")3WPW10245511 Whirlpool Blower4W10246078 Whirlpool Vent Panel5PLATE, COOLING LATCH6W10495854 Whirlpool Transformer7SLOPE, EXHAUST VENT (30")8W10160844 Whirlpool Bracket Mounting9W10160858 Whirlpool Lid Cover10SEAL, CHIMNEY11WP9761958 Whirlpool Range Terminal Block12W10467022 Whirlpool Box Terminal13COVER, CHANNEL149759721 Whirlpool Oven Insulator15WP3400015 Whirlpool Screw16WP3196163 Whirlpool Screw17W10270397 Whirlpool Vent Seal