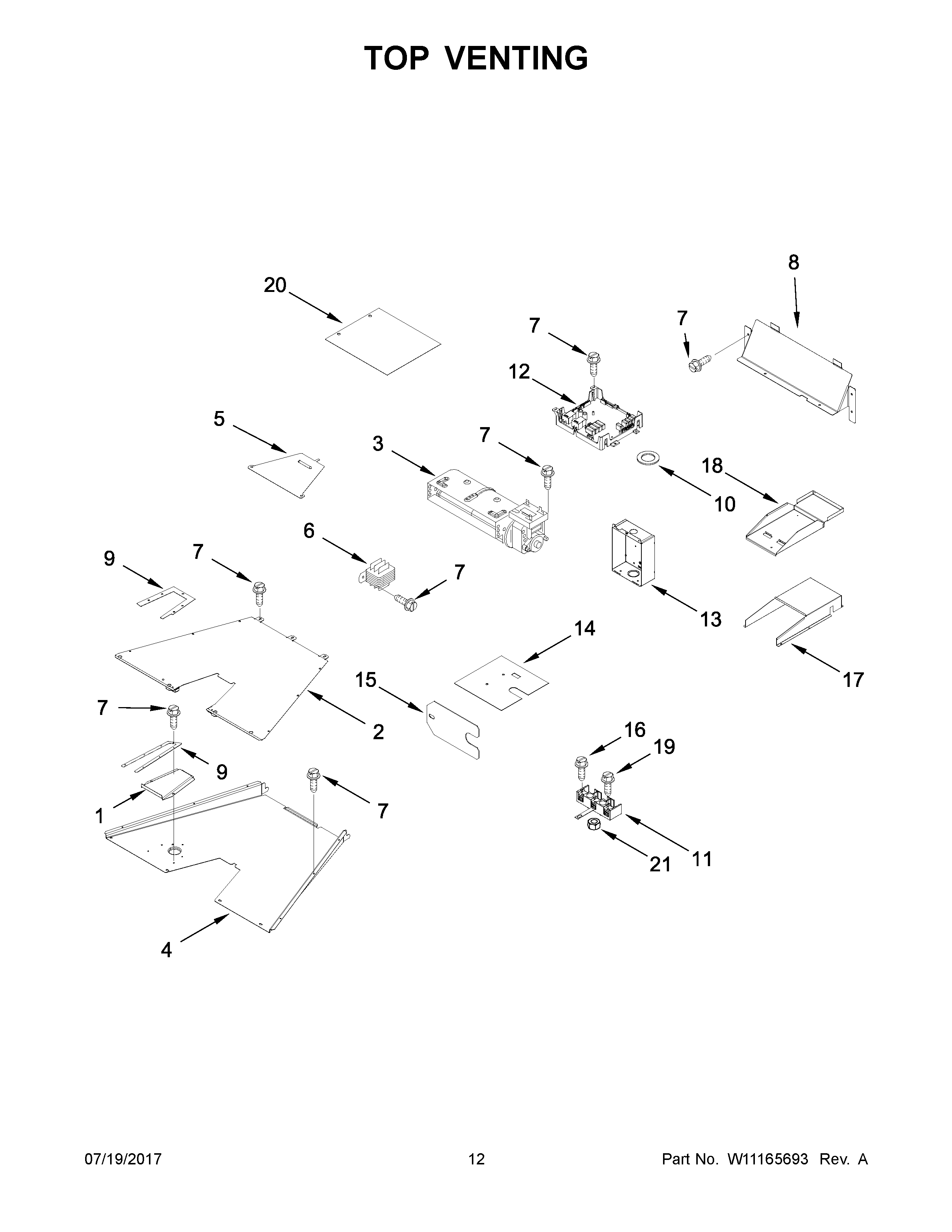
KDRS483VBU01 07 – TOP VENTINGadmin2025-04-26T10:27:07+00:00KDRS483VBU01 07 – TOP VENTING ProductsPositionProduct1SLOPE, EXHAUST VENT (30")1ASLOPE, EXHAUST VENT (18")2VENT, COOLING TOP (30")3WPW10245511 Whirlpool Blower4W10246078 Whirlpool Vent Panel5PLATE, COOLING LATCH6W10495854 Whirlpool Transformer7SCREW8W10160844 Whirlpool Bracket Mounting9AW10270402 Whirlpool Seal Assembly9W10270397 Whirlpool Vent Seal10SEAL, CHIMNEY11WP9761958 Whirlpool Range Terminal Block12W10852104 Whirlpool Electronic Control Board + Core13W10467022 Whirlpool Box Terminal149759721 Whirlpool Oven Insulator15COVER, CHANNEL16WP3196163 Whirlpool Screw17ASSEMBLY, DRAWER18SUPPORT, CONTROL19WP3400015 Whirlpool Screw20W10239444 Whirlpool Foam Seal21WP112432 Whirlpool Nut Assembly