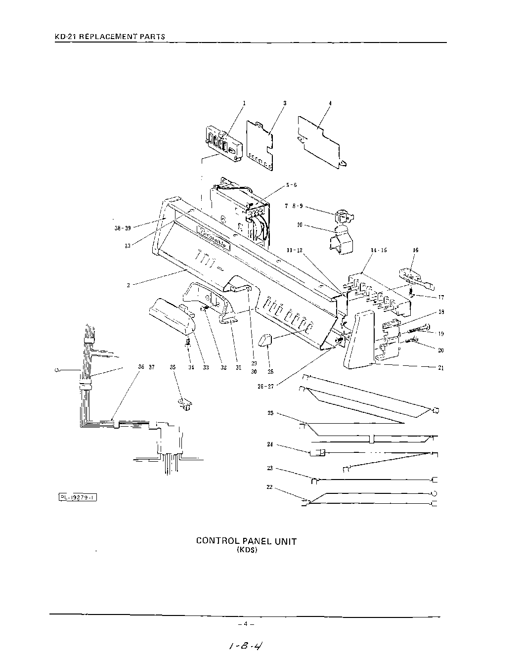
KDSC21 03 – KDS