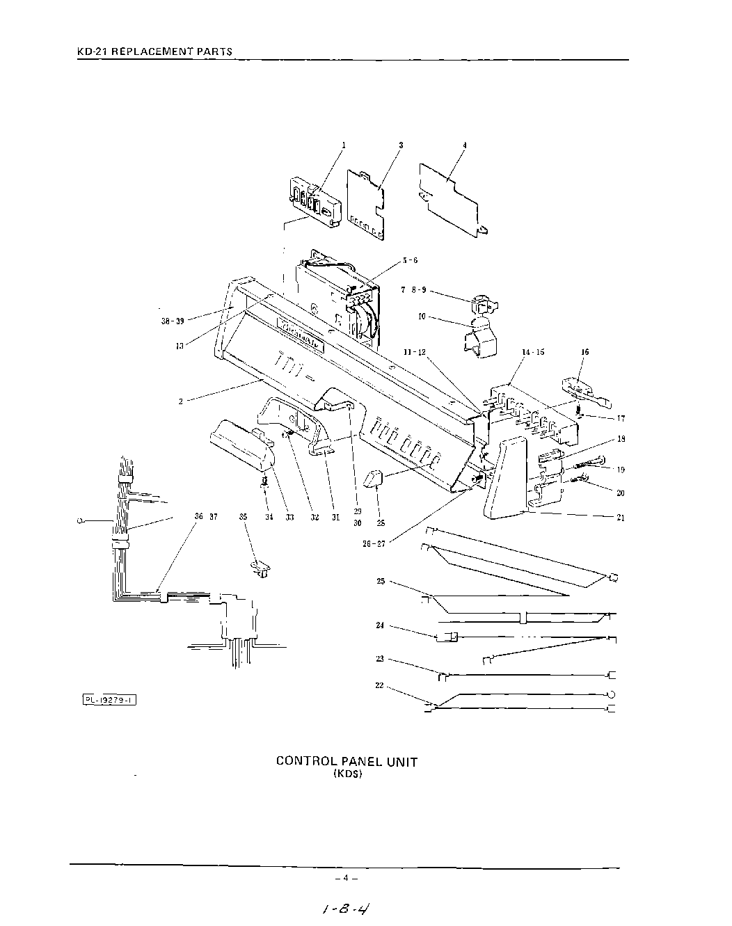
KDSM21 03 – KDS