KEBI140SBL0 02 – CONTROLSadmin2025-04-26T09:50:55+00:00KEBI140SBL0 02 – CONTROLS
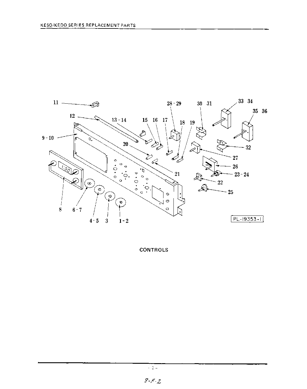
Products
| Position | Product |
|---|
| 1 | Thermostat Disc, Lower Oven KEDO-240/270 |
| 4 | Thermostat Disc, Single or Upper Oven KESO-140/170, KEDO-240/270 |
| 5 | Thermostat Disc, Single or Upper Oven KESO-145/175, KEDO-245/275 |
| 6 | Selector Disc, Single or Upper Oven KESO-140/170, KEDO-240/270 |
| 7 | Selector Disc, Single or Upper Oven KESO-145/175, KEDO-245/275 |
| 8 | Clock |
| 9 | Control Mounting Panel KESO-140/145 KEDO-240/245 |
| 10 | Control Mounting Panel KESO-170/175 KEDO-270/275 |
| 11 | Lamp Socket KESO-145/175, KEDO-245/275 |
| 12 | Lamp, 8 W Fluorescent KESO-145/175, KEDO-245/275 |
| 17 | Indicator Light, Oven (Lower Oven) |
| 19 | Indicator Light, Lock (Lower Oven) KEDO-245/275 |
| 21 | Indicator Light, Service KESO- |
| 22 | WPL CC71009 |
| 23 | WPL CC11262 |
| 25 | WPL CC14058 |
| 26 | WPL 305004 |
| 28 | WPL CC70723 |
| 29 | WPL CC305001 |
| 30 | WPL CC70835 |
| 32 | WPL CC31951 |
| 33 | WPL CC32473 |
| 34 | WPL CC32471 |
| 35 | WPL 305250 |
| 36 | WPL CC32472 |