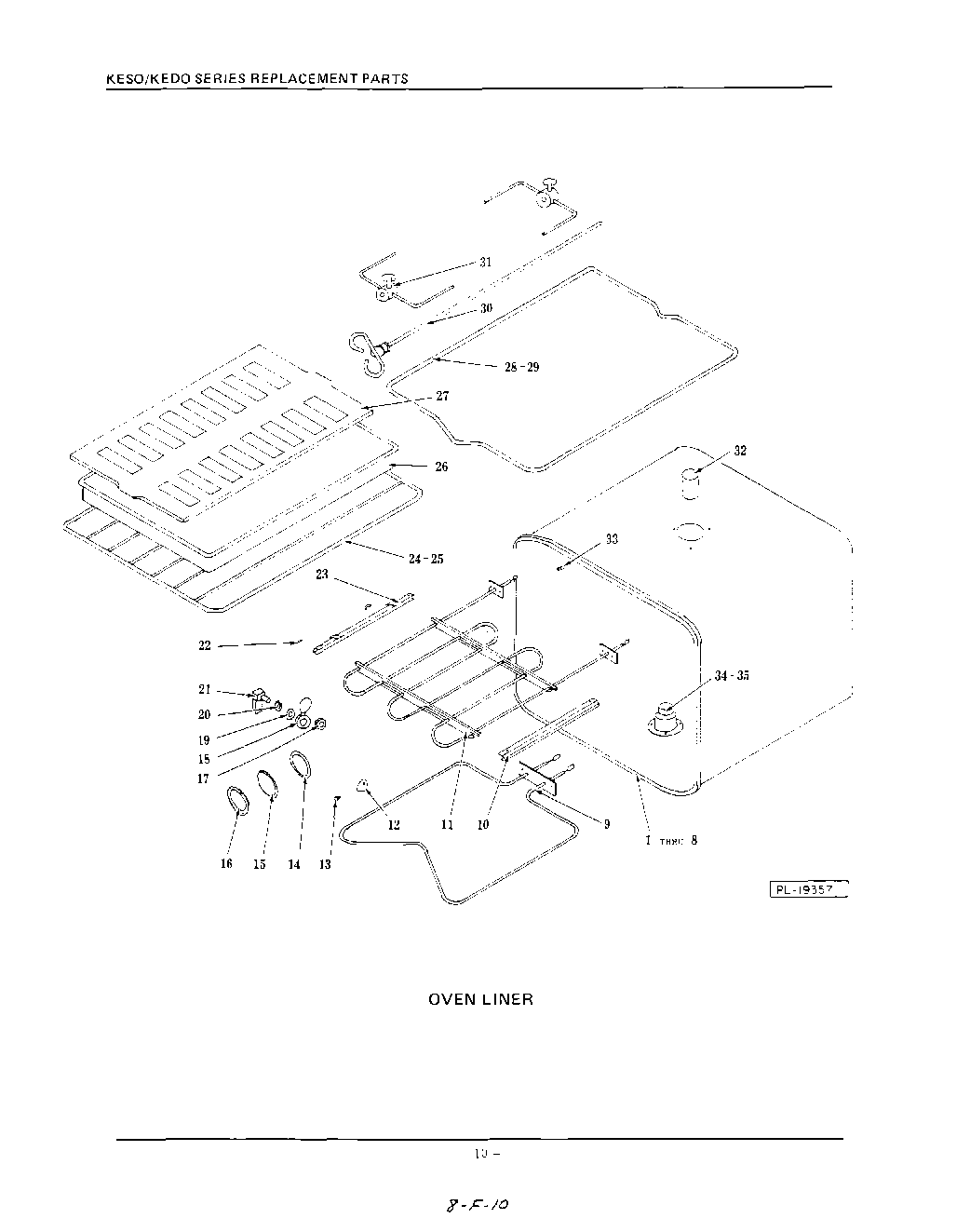
KEBI170SBL0 06 – OVEN LINER