KEBI270SBL0 06 – OVEN LINERadmin2025-04-26T12:34:31+00:00KEBI270SBL0 06 – OVEN LINER
Products
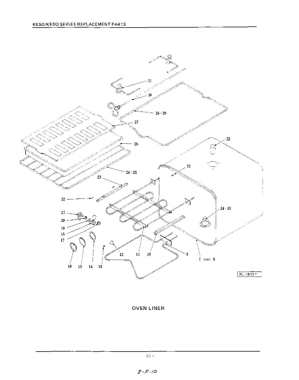
| Position | Product |
|---|
| 2 | Oven Liner, Lower Oven KEDO-240 |
| 3 | Oven Liner, Single or Upper Oven KESO-145, KEDO-245 |
| 4 | Oven Liner, Lower Oven KEDO-245 |
| 6 | Oven Liner, Lower Oven KEDO-270 |
| 7 | Oven Liner, Single or Upper Oven KESO-175, KEDO-275 |
| 8 | Oven Liner, Lower Oven KEDO-275 |
| 9 | Bake Element |
| 10 | Broiler Element Support - Right |
| 11 | Broiler Element |
| 12 | Rotisserie Cover KESO-145/175, KEDO-245/275 |
| 13 | Shoulder Screw KESO-145/175, KEDO-245/275 |
| 14 | Light Lens Gasket |
| 15 | Light Lens |
| 16 | Light Lens Retainer |
| 17 | Nut, Meat Probe KESO-145/175, KEDO-245/275 |
| 18 | Probe Jack Cover KESO-145/175, KEDO-245/275 |
| 19 | Washer KESO-145/175, KEDO-245/275 |
| 20 | Nut, Hex Jam KESO-145/175, KEDO-245/275 |
| 21 | Meat Probe Jack KESO-145/175, KEDO-245/275 |
| 22 | Thermostat Bulb Clip |
| 23 | Broiler Element Support - Left |
| 24 | Oven Rack KESO-140/145, KEDO-240/245 |
| 25 | Oven Rack KESO-170/175, KEDO-270/275 |
| 26 | Broiler Pan |
| 27 | Broiler Pan Grid |
| 28 | Rotisserie Rack KESO-145, KEDO-245 |
| 29 | Rotisserie Rack KESO-175, KEDO-275 |
| 30 | Rotisserie Spear KESO-145/175, KEDO-245/275 |
| 31 | Rotisserie Skewer KESO-14 |
| 32 | WPL CC31859 |
| 33 | WPL CC32104 |
| 34 | WPL CC70857 |
| 35 | WPL CC70856 |