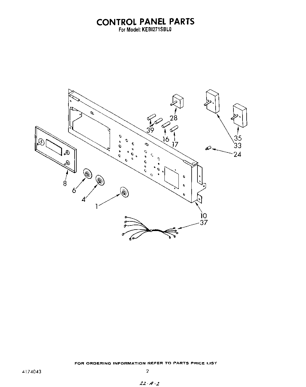
KEBI271SBL0 02 – CONTROL PANELadmin2025-04-26T12:33:49+00:00KEBI271SBL0 02 – CONTROL PANEL ProductsPositionProduct1Thermostat Disc Lower Oven4Thermostat Disc Lower Oven6Selector Disc8Clock10Control Mounting Panel16Indicator Light,17Indicator Light, Oven (Lower Oven)24Oven Light Switch28Selector Switch33Thermostat, Upper Oven35Thermostat, Lower Oven37Wiring Harness, Element (Upper Oven)39Indicator Light (2)