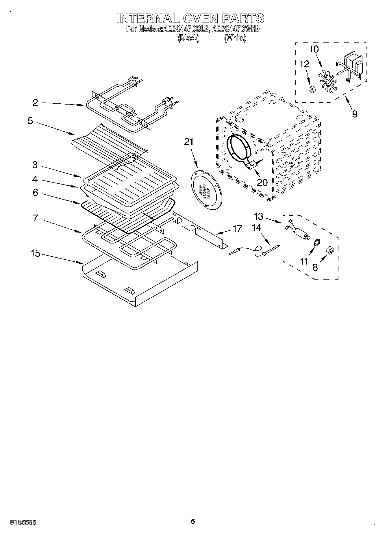
KEBS147DBL9 04 – INTERNAL OVENadmin2025-04-26T12:36:47+00:00KEBS147DBL9 04 – INTERNAL OVEN ProductsPositionProduct2WPW10207400 Whirlpool Broil Element34396923 Whirlpool Broil Pan Set Gray Porcelain5Rack, Roasting64448716 Whirlpool Oven Rack 24"74451175 Whirlpool Bake Element8WP9755546 Whirlpool Locknut9Motor Convection10WP4452226 Whirlpool Convection Fan11WP9755547 Whirlpool Lockwasher12Nut138186589 Whirlpool Jack Probe14WP9755542 Whirlpool Oven Meat Probe154455035 Whirlpool Bake Tray17WP4449809 Whirlpool Screw174450039 Whirlpool Oven Access Cover20WP9760769 Whirlpool Element Assembly21WP4449154 Whirlpool Screw21WPW10160821 Whirlpool Fan Cover