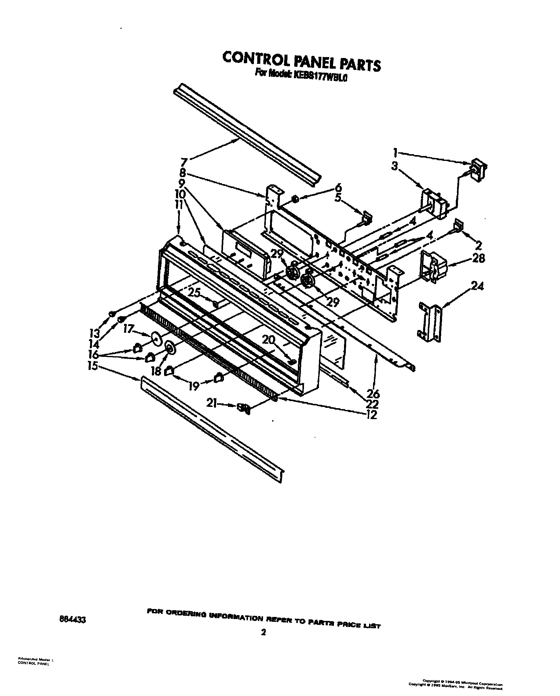
KEBS177WAL0 02 – CONTROL PANEL, LIT/OPTIONAL