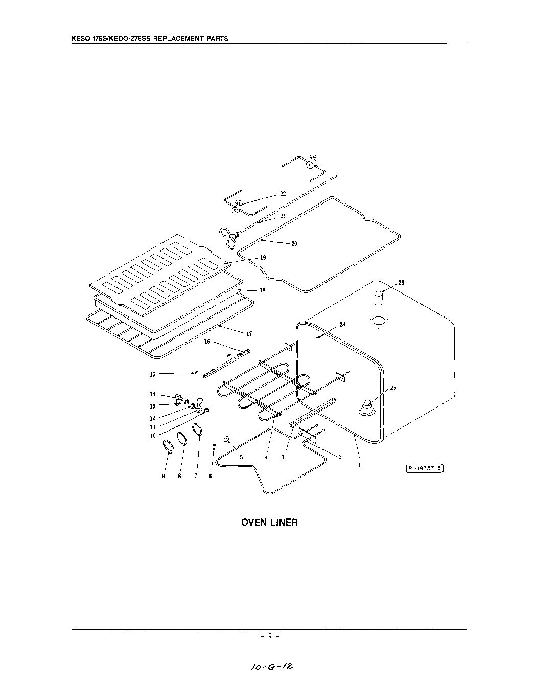
KEBS276SBL0 07 – OVEN LINERadmin2025-04-26T10:28:49+00:00KEBS276SBL0 07 – OVEN LINER
Products
| Position | Product |
|---|
| 1 | Oven Liner, Single or Upper Oven KESO-175, KEDO-275 |
| 2 | Bake Element |
| 3 | Broiler Element Support - Right |
| 4 | Broiler Element |
| 5 | Rotisserie Cover KESO-145/175, KEDO-245/275 |
| 6 | Shoulder Screw KESO-145/175, KEDO-245/275 |
| 7 | Light Lens Gasket |
| 8 | Light Lens |
| 9 | Light Lens Retainer |
| 10 | Nut, Meat Probe KESO-145/175, KEDO-245/275 |
| 11 | Probe Jack Cover KESO-145/175, KEDO-245/275 |
| 12 | Washer KESO-145/175, KEDO-245/275 |
| 13 | Nut, Hex Jam KESO-145/175, KEDO-245/275 |
| 14 | Meat Probe Jack KESO-145/175, KEDO-245/275 |
| 15 | Thermostat Bulb Clip |
| 16 | Broiler Element Support - Left |
| 17 | Oven Rack KESO-170/175, KEDO-270/275 |
| 18 | Broiler Pan |
| 19 | Broiler Pan Grid |
| 20 | Rotisserie Rack KESO-175, KEDO-275 |
| 21 | Rotisserie Spear KESO-145/175, KEDO-245/275 |
| 22 | Rotisserie Skewer KESO-14 |
| 23 | WPL CC31859 |
| 24 | WPL CC32104 |
| 25 | Gasket |
| 25 | WPL CC70857 |