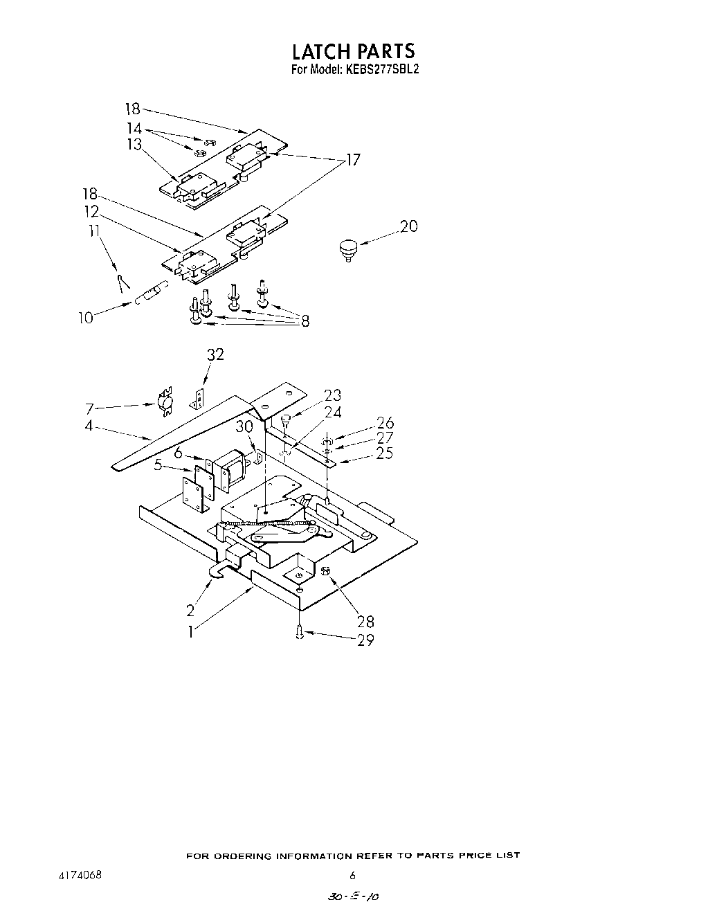
| 1 | Plate, Latch |
| 2 | Mechanism, Latch |
| 4 | Latch Lever (Lower Oven) |
| 4 | lever, latch |
| 5 | Solenoid Plate |
| 6 | Solenoid |
| 7 | Thermal Switch (Upper) |
| 7 | Thermal Switch |
| 8 | Screw, No.4-40 X 1 1/4`` Hex |
| 10 | Solenoid Spring |
| 11 | Cotter Pin |
| 12 | Latch Switch With Roller |
| 13 | Latch Switch |
| 14 | Nut (2) |
| 17 | Latch Switch (2) |
| 18 | Insulator (2) |
| 20 | Shoulder Screw Latch Lever Upper Oven |
| 23 | Shoulder Screw, Actuator Arm |
| 24 | Spacer, Actuator Arm |
| 25 | Actuator Arm |
| 26 | Retaining Ring |
| 27 | Washer, Flat |
| 28 | Nut, No.10-24 Hex Kep |
| 29 | Screw, No.10-24 X 3/8`` PTHMS |
| 30 | Bracket, Harness |
| 32 | Mounting Bracket, Safety Switch |
| 32 | Harness, Lower Latch |
| 32 | Harness, Upper Latch |
| 32 | Insulator Sleeve, Safety Switch |