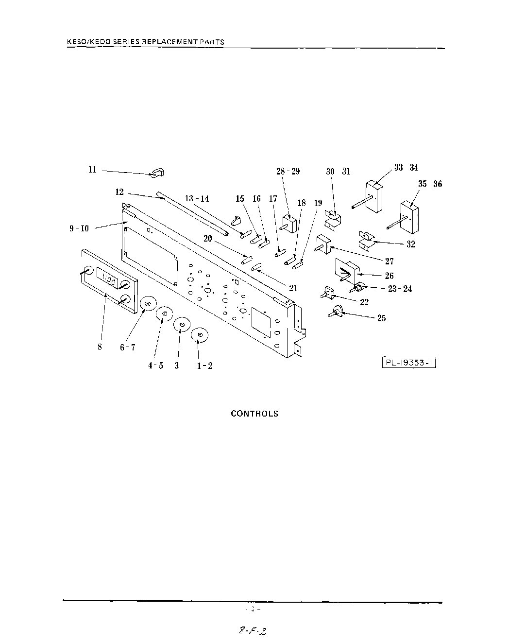
KEDO240 02 – CONTROLS