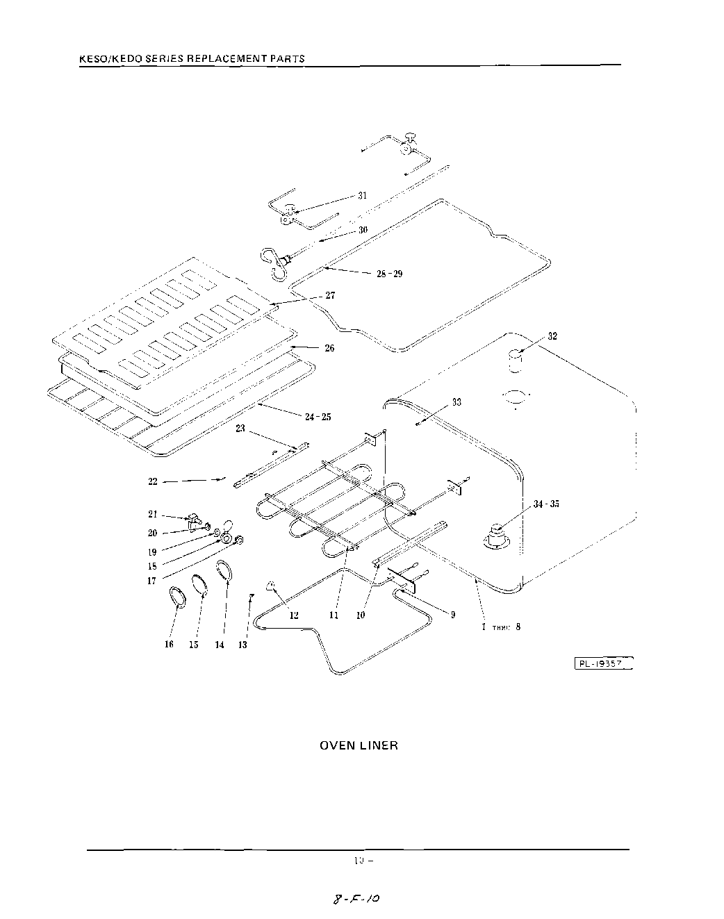
KEDO275 06 – OVEN LINER