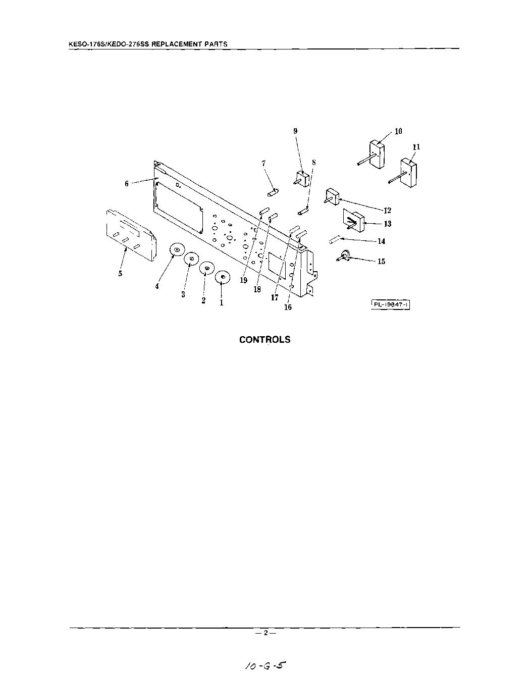
| 2 | Selector Disc, Single or Upper Oven KESO-140/170, KEDO-240/270 |
| 3 | Thermostat Disc., Single or Upper Oven |
| 4 | Selector Disc, Single or Upper Oven KESO-145/175, KEDO-245/275 |
| 5 | Electronic Timer |
| 6 | Control Mounting Panel |
| 9 | Selector Switch, Single or Upper Oven |
| 10 | Thermostat, Single or Upper Oven |
| 11 | Thermostat, Lower Oven (KEDO-276) |
| 12 | WPL CC70723 |
| 13 | WPL 305004 |
| 15 | WPL CC14058 |
| 19 | Indicator Light, Lock (Lower Oven) KEDO-245/275 |