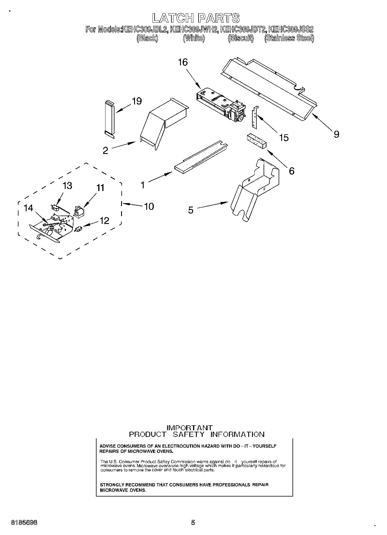
KEHC309JBT2 04 – LATCH