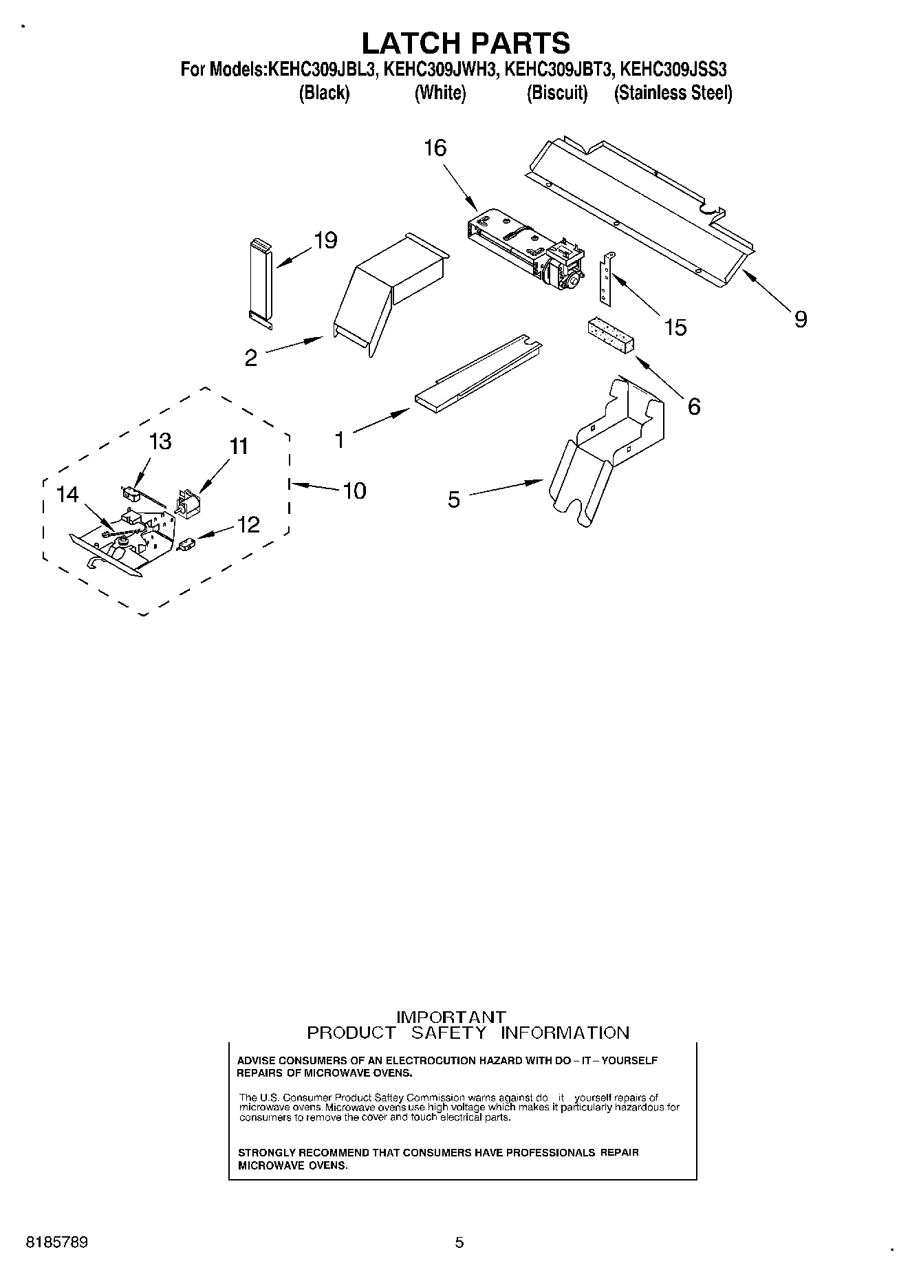
| 1 | 4451759 Whirlpool Oven Exhaust Vent |
| 2 | 4455178 Whirlpool Oven Top Elbow |
| 5 | 4455177 Whirlpool Oven Bottom Elbow |
| 6 | W10491987 Whirlpool Foam Seal |
| 9 | Baffle, Rear |
| 10 | Latch Assembly |
| 11 | Solenoid |
| 12 | Microswitch N.C. |
| 13 | Microswitch |
| 14 | Spring, Latch |
| 14 | WP4449154 Whirlpool Screw |
| 15 | 4455191 Whirlpool Oven Mounting Plate |
| 16 | WPW10016550 Whirlpool Blower Cooling Fan |
| 16 | WP4449809 Whirlpool Screw |
| 19 | Extension Filler |