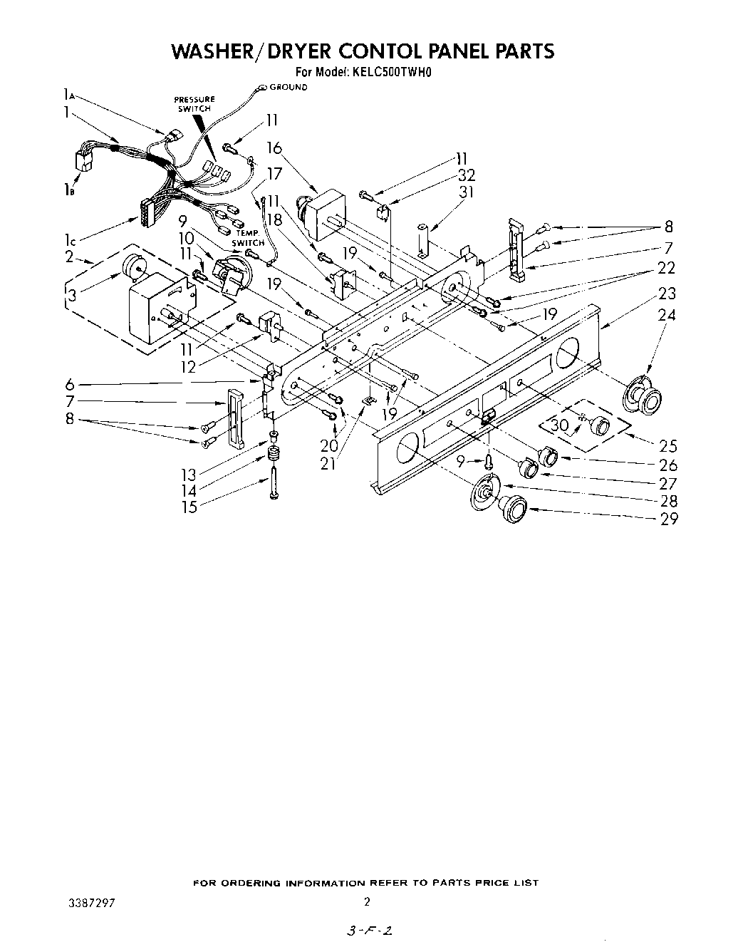
KELC500TWH0 02 – WASHER/DRYER CONTROL PANEL