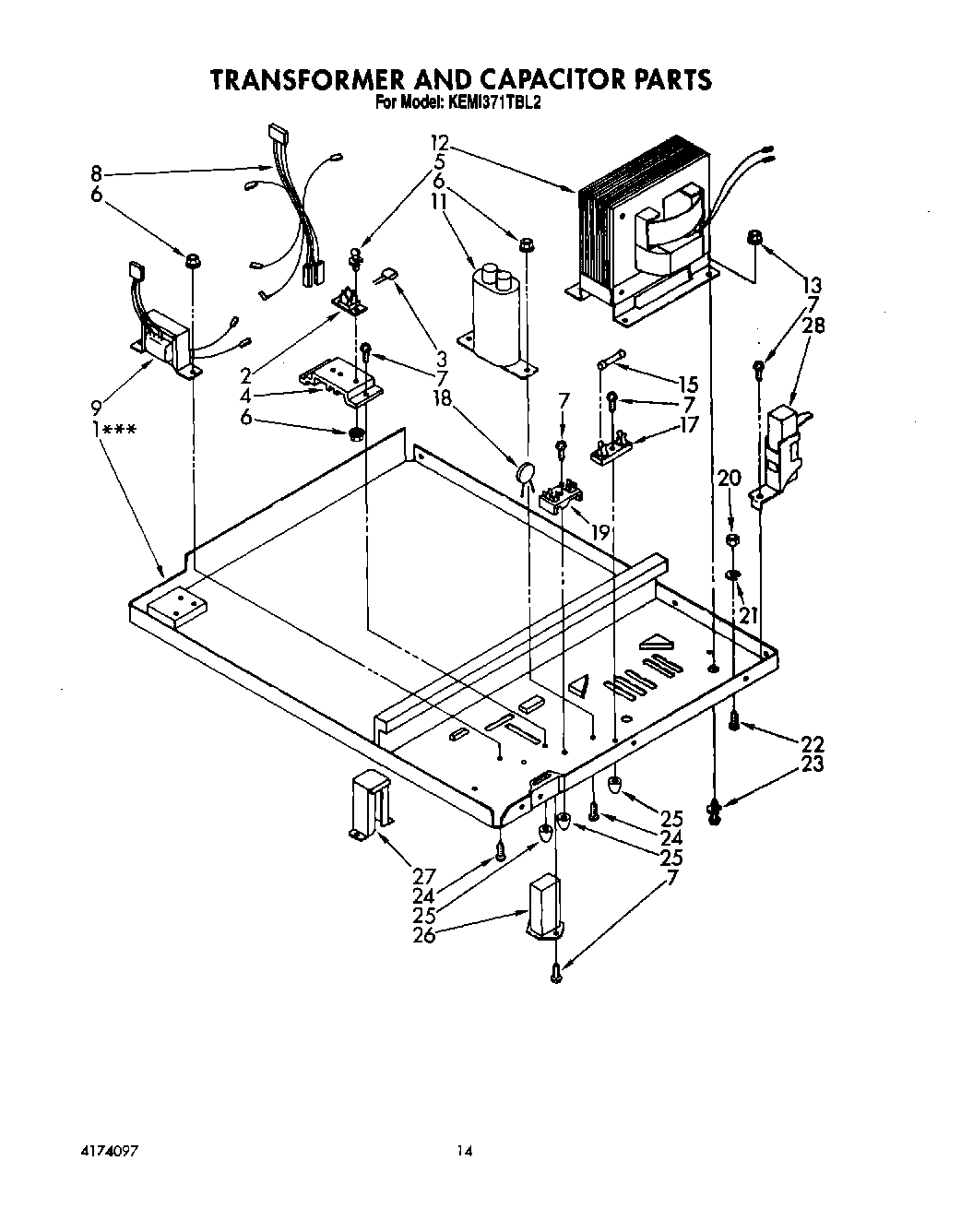
KEMI371TBL2 11 – TRANSFORMER AND CAPACITORadmin2025-04-26T10:28:42+00:00KEMI371TBL2 11 – TRANSFORMER AND CAPACITOR
Products
| Position | Product |
|---|
| 1 | Bottom Platexxx |
| 2 | Triac |
| 3 | Polyester Film Capacitor, 0.1 mfd +/- 20 Percent, 50V |
| 4 | Heat Sink |
| 5 | Screw, Pan Hd. Machine w/Bolt Washer & Spring Washer 4x12mm xxx |
| 6 | Nut, Hex Hd. with Washer, 4mm |
| 7 | Screw, Bind Hd. Tapping, 4x12mm |
| 8 | Connector, Triac |
| 9 | Step-down Transformer, Control Circuit, P6T-3825 |
| 11 | High Voltage Capacitor With Resistor And Rectifier, 0.85 MFD |
| 12 | High Voltage Transformer, 120 V Input, H6T-3825 |
| 13 | Nut, Hex Hd. With Washer, 6mm |
| 15 | Fuse, 15A |
| 17 | Fuse Holder |
| 18 | Varistor |
| 19 | Terminal Board |
| 20 | Hex Nut, 4mm, Brass, N1-1 |
| 21 | Spring Washer, 4mm, Phosphated |
| 22 | Screw, Pan Hd. Machine, 4 X 10mm Brass, N1 |
| 23 | Bolt, Hex Hd. Machine with Spring Washer and Bolt Washer 6x16mm |
| 24 | Screw, Pan Hd. Diacut, 4 X 10mm Z1 |
| 25 | Cap, Black Vinyl, Screw |
| 26 | Back-up Battery |
| 27 | Battery Holder |
| 28 | Surge Absorber |