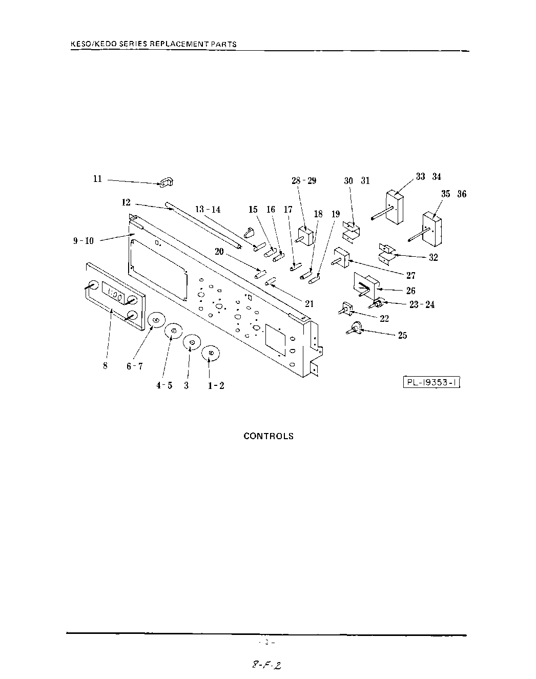
KESO170S 02 – CONTROLS