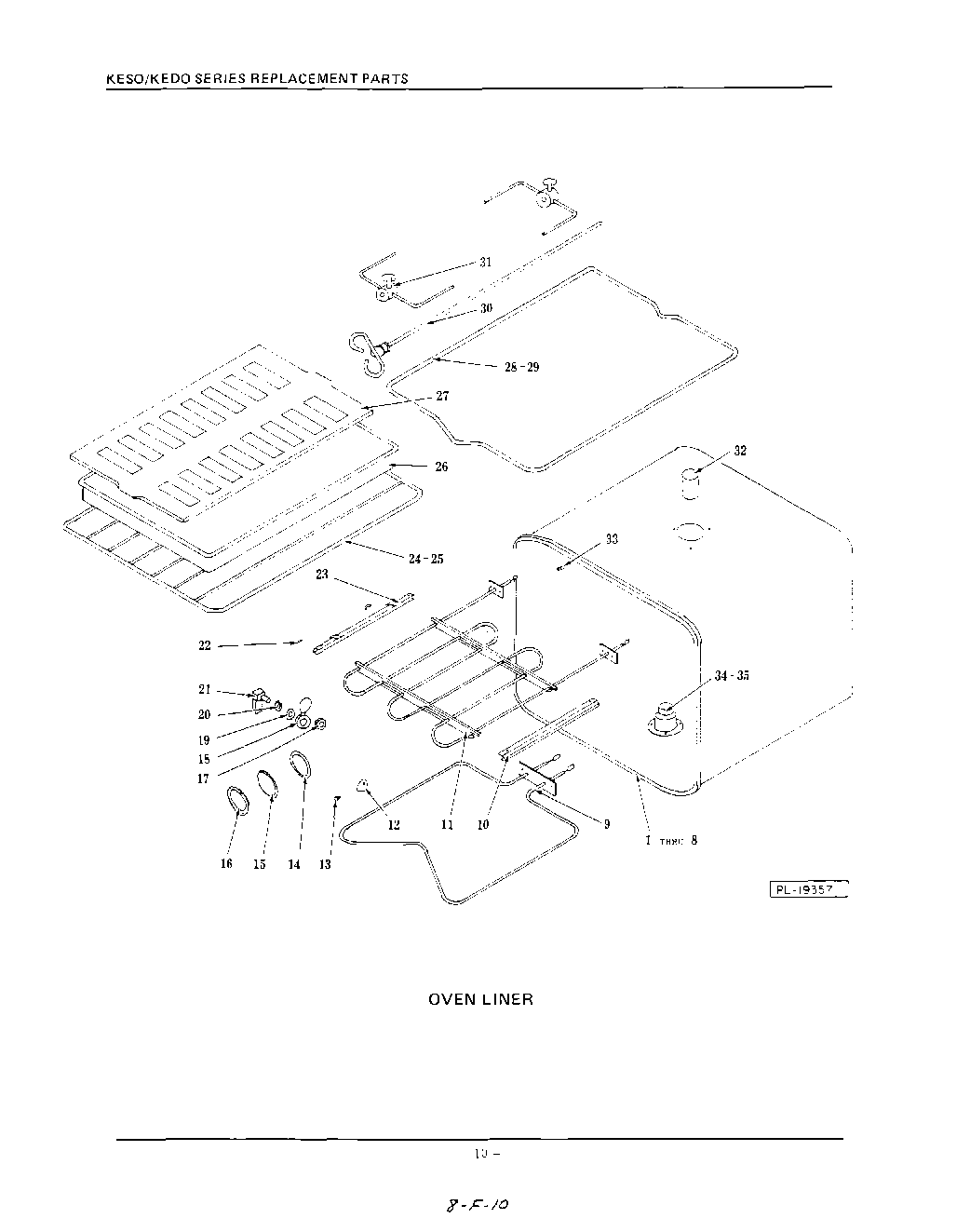
KESO175 06 – OVEN LINER