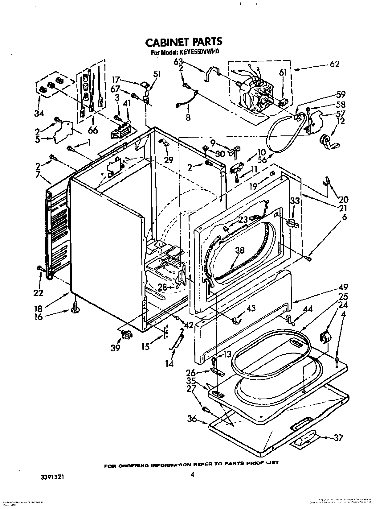
KEYE550VWH0 03 – CABINET

KEYE550VWH0 03 – CABINET

Products

PositionProduct
2WP693995 Whirlpool Screw
3WP308685 Whirlpool Microwave Screw
5W11736322 Whirlpool Cover Assembly
6Screw, 10-32 x 1/2
7Panel, Rear
8Wire, Ground (Motor)
9WP691581 Whirlpool Actuator
10W10820036 Whirlpool Door Switch Kit
11WP98129 Whirlpool Screw
12WP691366 Whirlpool Dryer Idler Pulley Assembly
14WPW10041960 Whirlpool Door Spring
15W10854425 Whirlpool Dryer Front Panel Bottom Mounting Clip
1649621 Whirlpool Leveling Feet
1718849 Whirlpool Pad
18Cabinet (White)
18Cabinet (Almond)
18Cabinet (Harvest Wheat)
18cabinet (toast)
18Cabinet (Platinum)
19WP98234 Whirlpool Nut
20WP18776 Whirlpool Lock
21Panel Front (Almond)
21Panel, Front (Platinum)
21panel, front (harvest wheat)
21Panel Front (Toast)
21279740 Whirlpool Panel Primary with O/S2
22WP489069 Whirlpool Compactor Screw
23279220 Whirlpool Clip
24279570 Whirlpool Dryer Door Latch Kit
25W10906683 Whirlpool Door Seal
26W11252547 Whirlpool Clip Assembly
27WP694091 Whirlpool Screw
28WP8066057 Whirlpool Door Hinge
28WP8066056 Whirlpool Door Hinge
298528351 Whirlpool Clip
30Locator, Top
34279393 Whirlpool Terminal Block Screw and Nut Kit
35WP695737 Whirlpool Door
36Door, Front (Almond)
36door, front (toast)
36Door, Front (Platinum)
36WP3393549 Whirlpool Door Assembly
36door, front (harvest wheat)
37WP348721 Whirlpool Handle
37Handle, Door (Toast)
37handle, door (harvest wheat)
37handle, door (almond)
37handle, door (platinum)
38W11035878 Whirlpool Bearing and Seal
39Clip, Toe
41279320 Whirlpool Dryer Rear Terminal Block Kit
42238614 Whirlpool Bumper Hinge
43WPL 341776
44WP297092 Whirlpool Clip
49Panel, Toe (Almond)
49Panel, Toe (White)
49WPL 697099
49WPL 697098
49WPL 697097
51WP8066217 Whirlpool Hinge
56341241 Whirlpool Dryer Drum Belt
57WP348780 Whirlpool Base
583400500 Whirlpool Screw
59WP8066184 Whirlpool Dryer Motor Pulley
61279827 Whirlpool Dryer Drive Motor
63WP660658 Whirlpool Clamp
66279318 Whirlpool Terminal
67SCREW