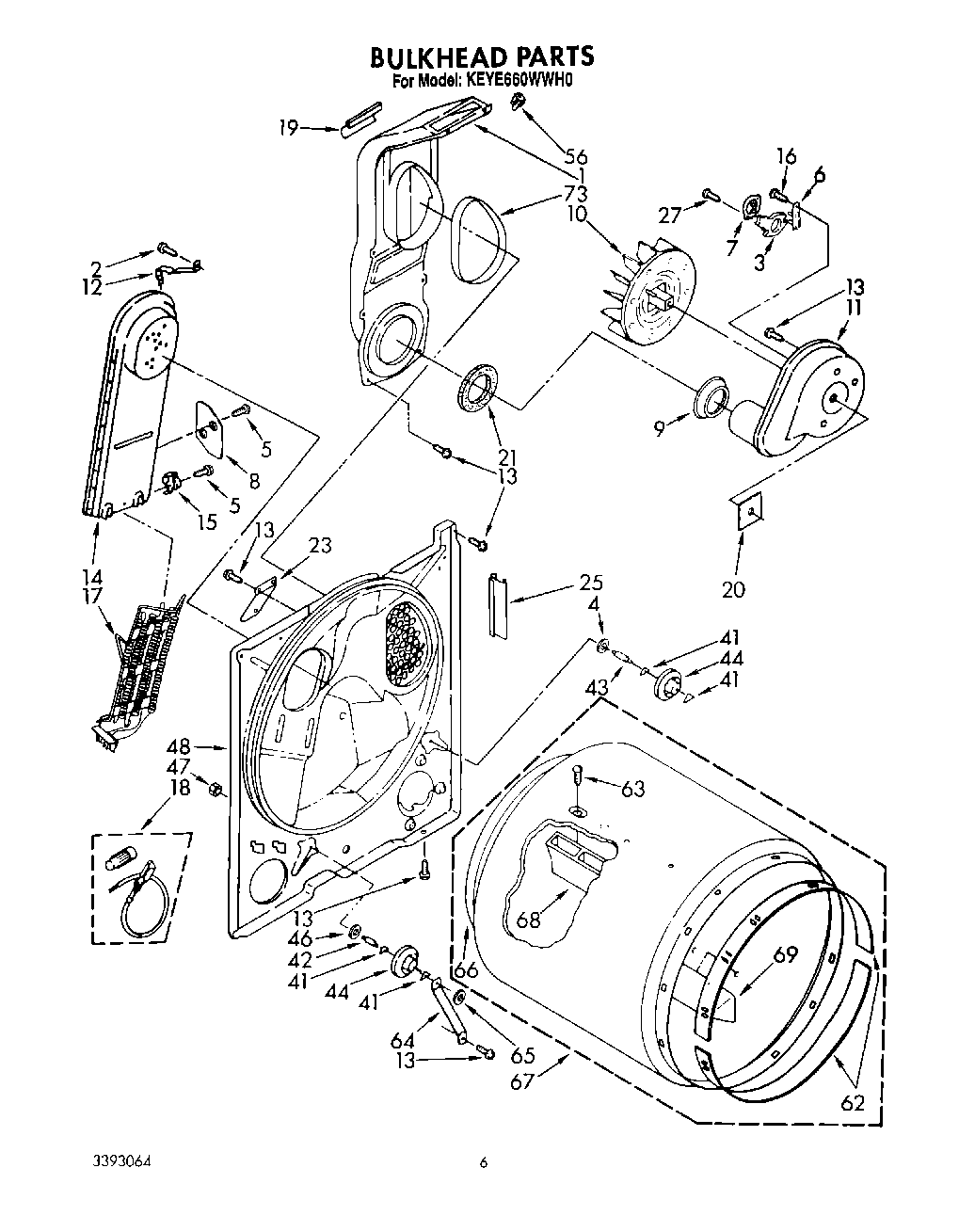
KEYE660WWH0 04 – SECTION