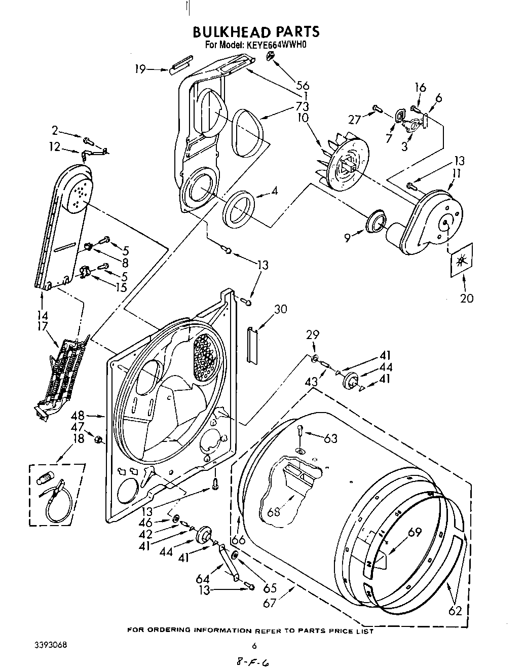
| 1 | W11117429 Whirlpool Chute Assembly |
| 3 | Heater, Thermostat |
| 4 | W11415783 Whirlpool Seal |
| 5 | WP90767 Whirlpool Screw |
| 6 | WP3392519 Whirlpool Dryer Thermal Fuse |
| 7 | WP694674 Whirlpool Cycling Thermostat |
| 8 | 279769 Whirlpool Dryer Thermal Cut-Off Fuse Kit |
| 9 | W11233063 Whirlpool Shield Assembly |
| 10 | WP694089 Whirlpool Dryer Blower Wheel |
| 11 | Housing, Blower |
| 12 | 279771 Whirlpool Clip |
| 13 | SCREW |
| 14 | Box, Heater |
| 15 | 279080 Whirlpool Thermostat |
| 16 | WP965173 Whirlpool Dishwasher Screw |
| 17 | WP697663 Whirlpool Element |
| 18 | 279457 Whirlpool Dryer Heating Element Wide Spade Connection |
| 19 | 686770 Whirlpool Support Bracket |
| 20 | Seal, Blower |
| 27 | WP488729 Whirlpool Refrigerator Door Screw |
| 29 | WP3388703 Whirlpool Washer |
| 30 | 686889 Whirlpool Pad |
| 41 | WPW10512946 Whirlpool Dryer Tri-Ring Drum Roller |
| 42 | SHAFT SUPPORT ROLLER DRYER |
| 43 | SHAFT SUPPORT ROLLER DRYER |
| 44 | WPW10314173 Whirlpool Dryer Drum Support Wheel |
| 46 | WP348197 Whirlpool Washer Assembly |
| 47 | WP358160 Whirlpool Nut |
| 48 | W11178667 Whirlpool Bulkhead Assembly |
| 56 | 98460 Whirlpool Nut |
| 62 | 279441 Whirlpool Front Bearing Ring |
| 63 | Screw, 11-16 x 7/8 |
| 64 | W11684613 Whirlpool Bracket |
| 65 | WP90296 Whirlpool Clip |
| 66 | 279408 Whirlpool Dryer Rear Drum Seal |
| 67 | W10899578 Whirlpool Dryer Drum Assembly |
| 68 | BAFFLE-DRM |
| 69 | WP3403636 Whirlpool Drum Baffle |
| 73 | SEAL |