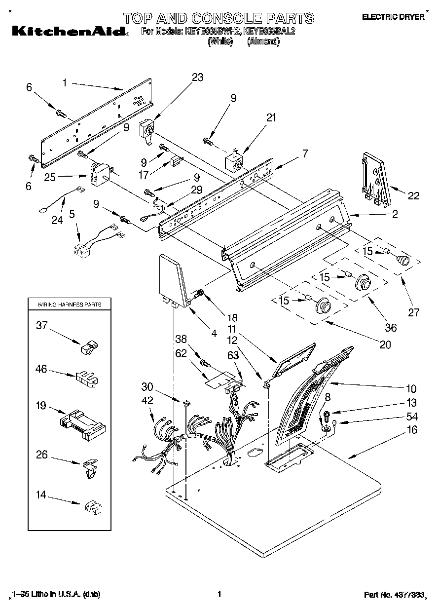
KEYE665BWH2 01 – SECTION