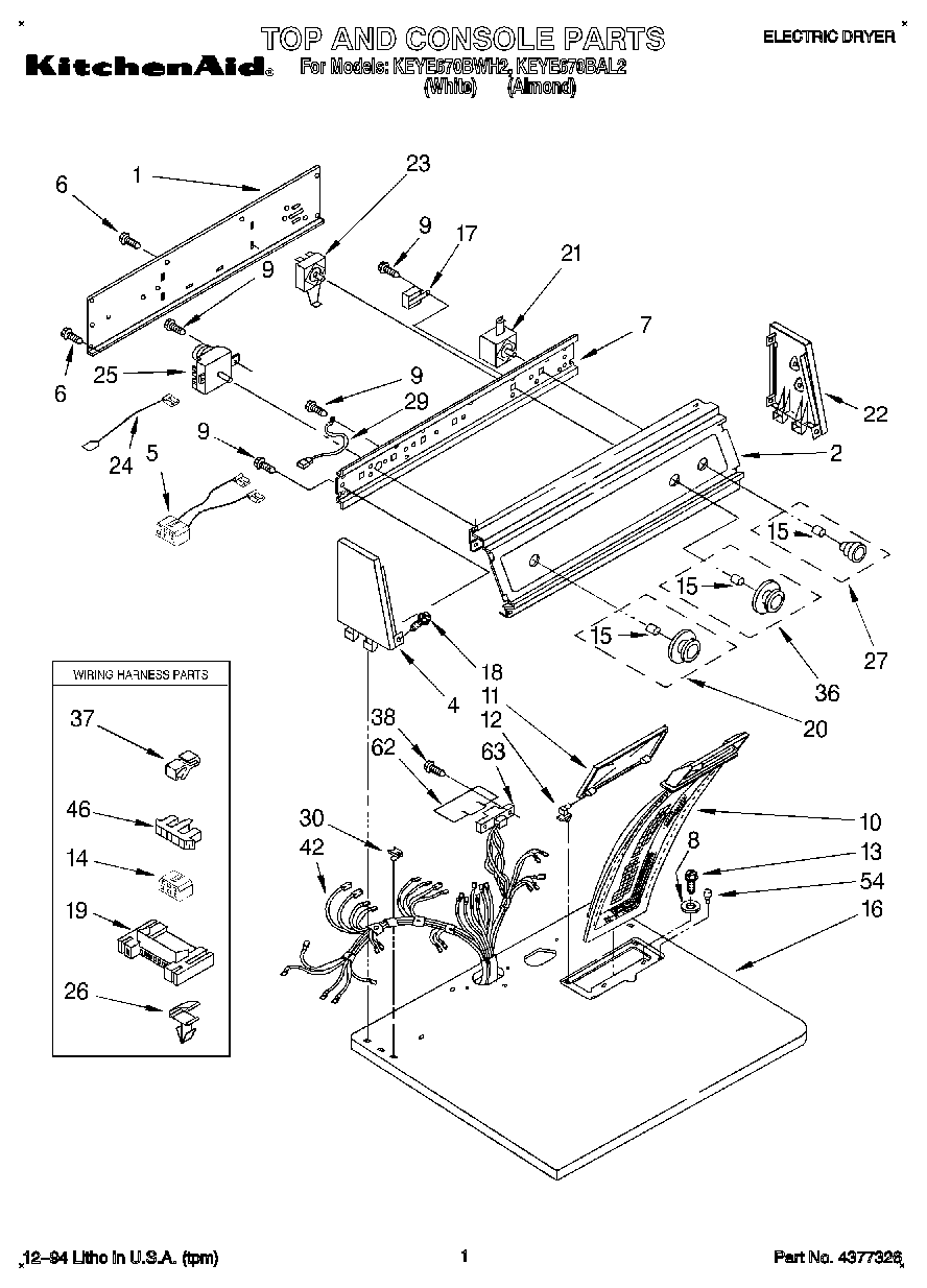
KEYE670BAL2 01 – SECTION