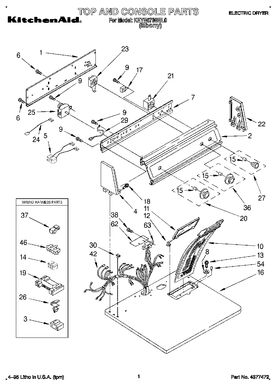
KEYE679BBL0 01 – SECTION