| 350930 Whirlpool White Spray Paint |
| 72110 Whirlpool Dryer Touch-Up Paint, Golden Harvest 6 Oz |
| Label, Operating Instructions |
| Guide, Dryer |
| 72113 Whirlpool Touch-Up Paint |
| WPL LIT3387421 |
| WPL 72112 |
| Golden Harvest |
| Platinum (Uncut) |
| Enamal, Toast (1 Qt. Uncut) |
| Paint, Spray (13 Oz.) (Platinum) |
| WPL LIT3387321 |
| Golden Harvest (Uncut) |
| 350938 Whirlpool Spray Gun |
| 350956 Whirlpool Spray Assembly |
| 72017 Whirlpool Appliance Touch-Up Paint White |
| 799344 Whirlpool Refrigerator Paint |
| WP72107 Whirlpool Touchup |
| Leveler (Thinner) |
| Almond (Uncut) |
| WPL LIT3387280 |
| WPL LIT3387261 |
| WPL LIT3388258 |
| Toast |
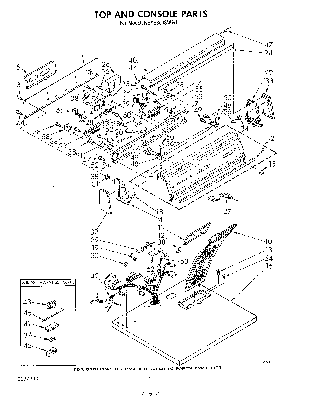
| 1 | Panel, Rear |
| 2 | Panel, Control |
| 3 | WP693995 Whirlpool Screw |
| 4 | End Cap (L.H.) |
| 5 | Rack, Literature |
| 6 | SCREW |
| 7 | Bracket, Control |
| 8 | Trim, Console |
| 9 | WP3390631 Whirlpool Screw |
| 10 | WP349639 Whirlpool Lint Filter |
| 11 | Cover, Lint Screen |
| 12 | WPW10044480 Whirlpool Hinge Assembly |
| 12 | WPW10044470 Whirlpool Hinge Assembly |
| 13 | W11693756 Whirlpool Screw Assembly |
| 14 | Plug, Latch (3) |
| 15 | Nut, Knurled |
| 16 | Top (White) |
| 16 | Top (Almond) |
| 16 | Top (Harvest Wheat) |
| 16 | Top (Toast) |
| 16 | Top (Platinum) |
| 17 | WP694419 Whirlpool Buzzer Adjuster |
| 18 | WPL 64211 |
| 19 | Nut, Push-In (2) |
| 20 | 697811 Whirlpool Relay |
| 21 | WP8566493 Whirlpool Relay |
| 22 | Cap, End (R.H.) |
| 23 | Bracket, Timer |
| 24 | Insert, Lamp Cover |
| 25 | Timer, 60Hz. |
| 26 | Shield, Timer Assembly |
| 27 | Switch, Fluorescent |
| 28 | Indicator Light |
| 29 | Wire, Ground |
| 30 | Stop, Push-In Top |
| 31 | WP689559 Whirlpool Nut |
| 32 | Trim, End Cap (L.H.) |
| 33 | Trim, End Cap (R.H.) |
| 34 | Nut, No.10 Thread |
| 35 | Cap, Insulator |
| 36 | Lamp, Fluorescent |
| 37 | Terminal |
| 38 | WP90767 Whirlpool Screw |
| 39 | Clip, Wire (Tech Sheet/Top) |
| 40 | Cover, Light (Includes No.24) |
| 41 | Connector |
| 42 | Harness, Electric |
| 43 | Clip, Harness (Rear Bulkhead Area) |
| 44 | WP489069 Whirlpool Compactor Screw |
| 45 | Clip, Retainer |
| 46 | WPW10339879 Whirlpool Wire Tie |
| 47 | Hinge, Lamp Cover |
| 48 | Socket, Lamp ((R.H.)) |
| 48 | Socket, Lamp ((L.H.)) |
| 49 | WP965173 Whirlpool Dishwasher Screw |
| 50 | Cover, Socket |
| 51 | Ballast |
| 52 | Screw Mou |
| 53 | Rela |
| 54 | Bumper, Lint Lid |
| 55 | WPL 697668 |
| 56 | WPL 3387912 |
| 57 | WPL 389265 |
| 58 | WPL 697726 |
| 59 | WP356418 Whirlpool Screw |
| 60 | WPL 697810 |
| 61 | WPL 3388352 |
| 62 | Control, Electronic |
| 63 | Connector |