KEYE860WWH0 02 – SECTION

KEYE860WWH0 02 – SECTION

Products

PositionProduct
350930 Whirlpool White Spray Paint
72113 Whirlpool Touch-Up Paint
Golden Harvest
Golden Harvest (Uncut)
Toast
Paint, Spray (13 Oz.) (Platinum)
Enamal, Toast (1 Qt. Uncut)
Platinum (Uncut)
WPL 72112
Instructions, Installation
Guide, Dryer
Label, Operating Instructions
72110 Whirlpool Dryer Touch-Up Paint, Golden Harvest 6 Oz
WPL LIT3392979
350938 Whirlpool Spray Gun
350956 Whirlpool Spray Assembly
72017 Whirlpool Appliance Touch-Up Paint White
799344 Whirlpool Refrigerator Paint
WP72107 Whirlpool Touchup
Leveler (Thinner)
Almond (Uncut)
WPL LIT3393066
WPL LIT3391019
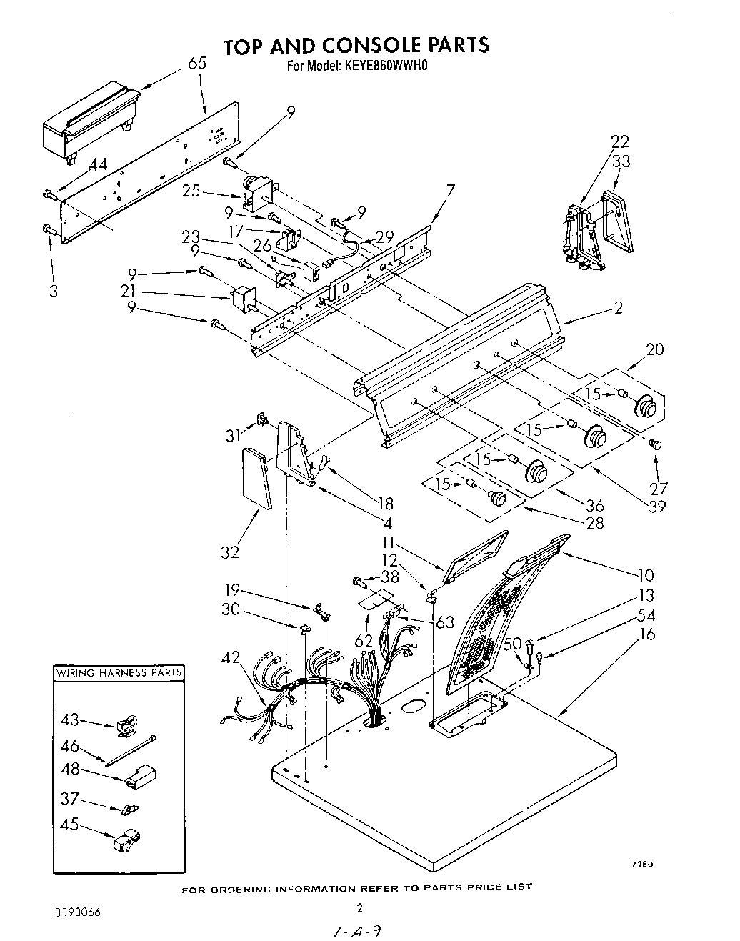
1Panel, Rear Console
2Panel, Control
3WP693995 Whirlpool Screw
4Cap, End (L.H.)
7Bracket, Control
9WP3390631 Whirlpool Screw
10WP349639 Whirlpool Lint Filter
11Cover, Lint Screen
12WPW10044480 Whirlpool Hinge Assembly
12WPW10044470 Whirlpool Hinge Assembly
13W11693756 Whirlpool Screw Assembly
15WP688805 Whirlpool Spring Clip
16Top (Platinum)
16Top (Almond)
16Top (Harvest Wheat)
16Top (Toast)
16Top (White)
17Buzzer, Adjustable
18WPL 64211
19Nut, Push-In (2)
20Knob, Timer
21Relay, Push-To-Start
22Cap, End (R.H.)
23Switch, Temperature (Variable)
25Timer, 60Hz.
26Lamp, Indicator
27Lens, Light
28Knob, Push To Start
29Wire, Ground
30Stop, Push-In Top
31WP689559 Whirlpool Nut
32Trim, Endcap (L.H.)
33Trim, Endcap (R.H.)
36Knob, Temperature Control
37Terminal
39Knob, Adjustable Buzzer
42Harness, Wiring
43Clip, Harness (Rear Bulkhead Area)
44WP489069 Whirlpool Compactor Screw
45Clip, Retainer
46WPW10339879 Whirlpool Wire Tie
48Receptacle, Latching (2-Way) (Uses Terminal 94614)
50Washer
54Bumper, Lint Lid
62Control, Electronic
63Connector
65WPL 3388894