KEYE900TPL0 02 – SECTION

KEYE900TPL0 02 – SECTION

Products

PositionProduct
350930 Whirlpool White Spray Paint
WPL LIT3387295
WPL LIT3389701
72113 Whirlpool Touch-Up Paint
Label, Operating Instructions
Guide, Dryer
WPL LIT3388259
Golden Harvest (Uncut)
Toast
Paint, Spray (13 Oz.) (Platinum)
Enamal, Toast (1 Qt. Uncut)
Platinum (Uncut)
72110 Whirlpool Dryer Touch-Up Paint, Golden Harvest 6 Oz
WPL 72112
350938 Whirlpool Spray Gun
350956 Whirlpool Spray Assembly
72017 Whirlpool Appliance Touch-Up Paint White
799344 Whirlpool Refrigerator Paint
WP72107 Whirlpool Touchup
Leveler (Thinner)
Almond (Uncut)
WPL LIT3387421
Golden Harvest
WPL LIT3387330
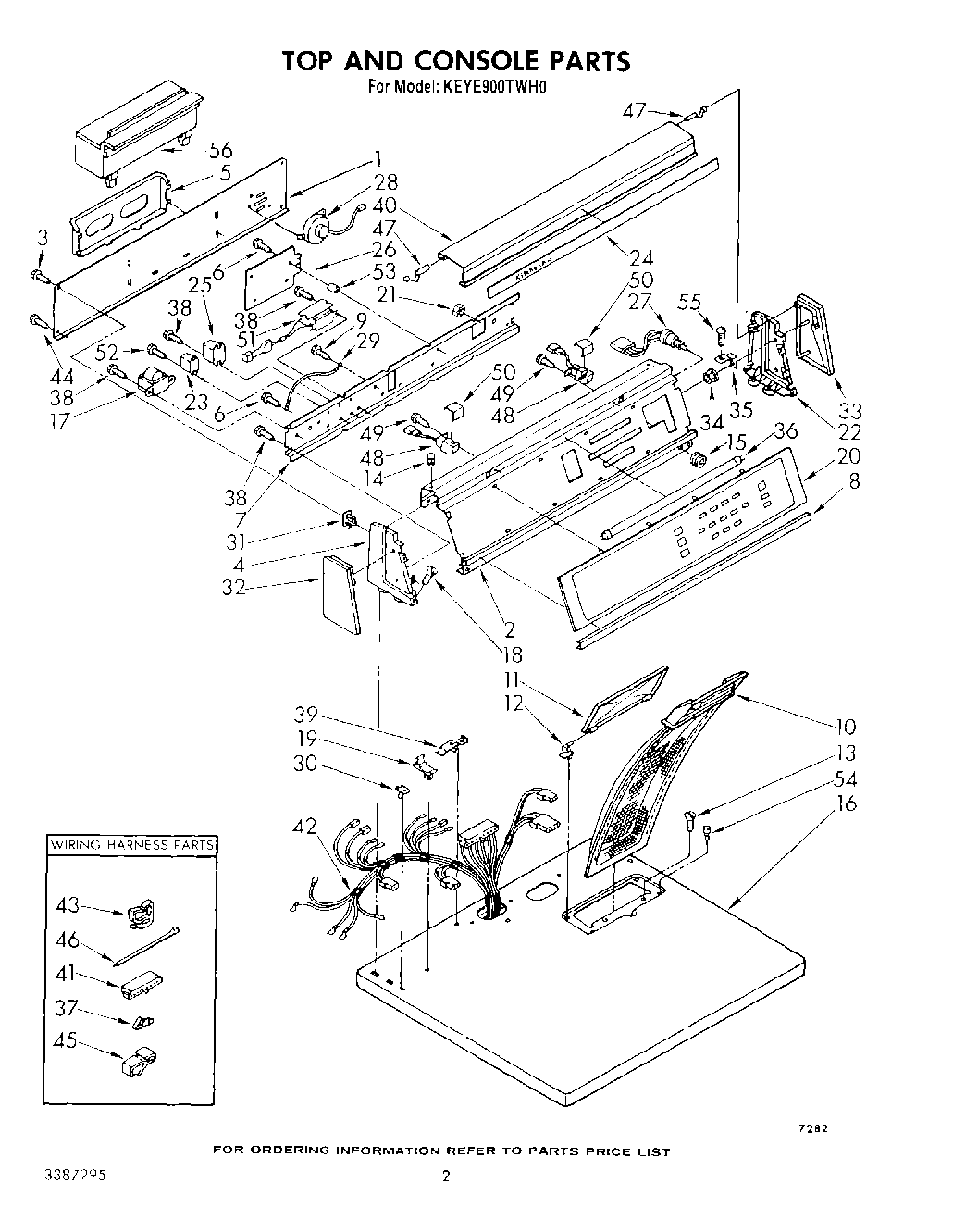
1Panel, Rear Console
2Panel, Control
3WP693995 Whirlpool Screw
4End Cap (L.H.)
5Rack, Literature
6SCREW
7Bracket, Control
8Trim, Console
9WP3390631 Whirlpool Screw
10WP349639 Whirlpool Lint Filter
11Cover, Lint Screen
12WPW10044470 Whirlpool Hinge Assembly
12WPW10044480 Whirlpool Hinge Assembly
13W11693756 Whirlpool Screw Assembly
14Plug, Latch (3)
15Nut, Knurled
16Top (Almond)
16Top (White)
16Top (Harvest Wheat)
16Top (Toast)
16Top (Platinum)
17Transformer
18WPL 64211
19Nut, Push-In (2)
20Module, Touch
21Nut, Lock
22Cap, End (R.H.)
23Motor Relay
24Insert, Lamp Cover
25Power Relay
26Microcomputer Assembly
27Switch, Fluorescent
28Speaker & Housing
29Wire, Ground
30Stop, Push-In Top
31WP689559 Whirlpool Nut
32Trim, End Cap (L.H.)
33Trim, End Cap (R.H.)
34Nut, No.10 Thread
35Bracket, End Cap (2)
36Lamp, Fluorescent
37Terminal
38WP90767 Whirlpool Screw
39Clip, Wire (Tech Sheet/Top)
40Cover, Light (Includes No.24)
41Connector
42Harness, Electric
43Clip, Harness (Rear Bulkhead Area)
44WP489069 Whirlpool Compactor Screw
45Clip, Retainer
46WPW10339879 Whirlpool Wire Tie
47Hinge, Lamp Cover
48Socket, Lamp ((L.H.))
48Socket, Lamp ((R.H.))
49WP965173 Whirlpool Dishwasher Screw
50Cover, Socket
51Ballast
52Screw Mou
53WPL 313087
54Bumper, Lint Lid
55WPL 310629
56WPL 3388894