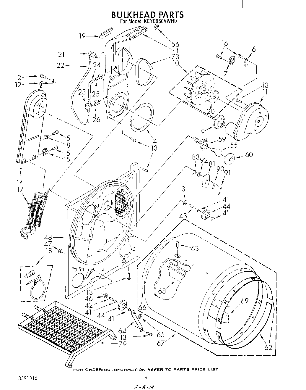
KEYE950VTO0 04 – SECTION