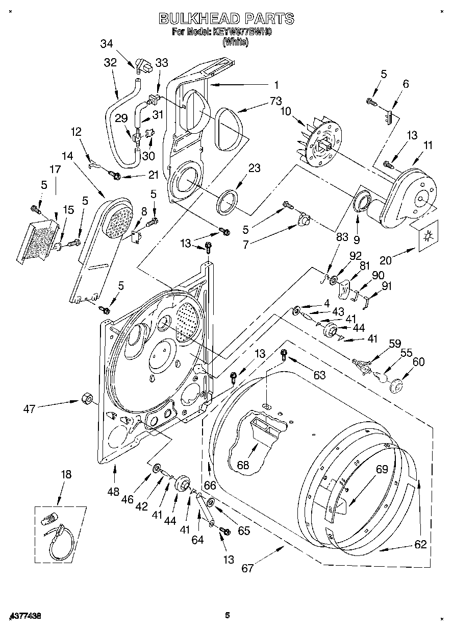
KEYW877BWH0 03 – SECTION