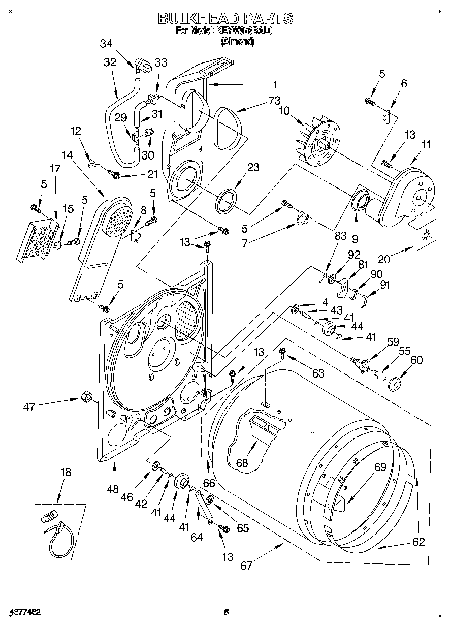
KEYW878BAL0 03 – SECTION